Pompe à essence électrique adaptable
Modérateurs : DominiqueHok, DominiqueHok, DominiqueHok, DominiqueHok, DominiqueHok
-
WAGNEUR ERIC
Pompe à essence électrique adaptable
Adaptation de pompe électrique à essence.
Ce post se veut du type « tutorial ».
Présentation du problème :
Les pompes électriques à essence de nos DS tombant en panne de plus en plus, fuites d’essence, grippage moteur ou encore ne montant plus en pression les ressorts de soupape étant mangé par la corrosion, elles ne sont plus disponibles en « neuf » ou en « réfection », elles atteignent des prix affolants.
Le but de cette opération est de modifier la voiture pour quelle soit fonctionnelle, mais sans perdre de vue un retour éventuel à l’origine, donc aucune modification irréversible.
Les travaux sont accessibles à tous, ceux qui veulent une voiture fiable et qui n’ont pas peur de se coucher sous la voiture…et pas pour dormir à l’abri…
Attention lors des travaux toujours avoir un extincteur en état à portée de main. L’électricité et essence font rarement bon ménage un couple « explosif » dirons nous…
Fonctionnement d’origine et technologie des pompes :
La pompe électrique à essence est actionnée par un moteur électrique dit à rotor « noyé », l’essence aspirée circule autour du moteur proprement dit.
La partie « pomperie » étant une roue dentée avec des rouleaux, il s’agit donc d’une pompe volumétrique.
Ces pompes électriques sont conçues quasiment toutes de la même façon :
Elles possèdent un mécanisme en bout d’arbre (ou sur l’arbre) du moteur électrique celui ci baigne dans le liquide pompé, elles sont donc refroidies, lubrifiées, ce qui permet de réduire les pièces en mouvement et de la rendre plus compact.
Il existe deux façons d’installer une pompe à carburant sur un circuit d’alimentation, en ligne c'est-à-dire à l’extérieur du réservoir sur la ligne alimentaire d’essence (notre cas d’origine), l’autre « immergée » c'est-à-dire plongée dans le réservoir lui même.
La technologie de ces pompes volumétriques leur permet de monter en pression jusqu'à 6 ou 7 bars, par contre elles ont un capacité réduite à l’auto aspiration (le NPSH le Net Pressure Sussion Height dans le langage des constructeurs de pompe, en clair Hauteur Nette de Pression d’Aspiration), donc on ne peut pas les placer très loin ou très haut par rapport à la source de liquide, elles sont donc installée au plus prés du réservoir et en point bas.
Les pompes ont un dispositif protégeant des surpressions lors d’un bouchage du circuit de sortie, une soupape de décharge est donc placée de manière à recycler le liquide à l’entrée de la pompe sur les pompes dites « modernes » et vers le réservoir comme sur nos pompes d’origine.
Données techniques :
La pompe d’origine est donnée pour du 80l/h à 2 bars avec une décharge à 4 bars.
Les pompes « modernes » débitent 100l/h à 3 bars environ avec une décharge interne à 4.5 bars (à 7.5) en général.
Description du circuit d’origine :
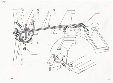
Voir schéma du catalogue pièces de rechange 6-174/1.
L’essence aspirée (6) passe dans le filtre à essence puis dans la pompe, à sa sortie principale l’essence sort sous pression jusqu’à la rampe de distribution ou se trouve les injecteurs (les 5 avec départ à froid) et le régulateur de pression (réglage 2 bars).
A la sortie du régulateur l’excès de pression retour au réservoir, la pompe à une soupape de décharge de sécurité (tarée 4 bars) le carburant en surpression retourne lui aussi au réservoir en empruntant la même canalisation (7).
Remède :
On l’a vu la pompe d’origine est introuvable ou inaccessible par son prix.
Les pompes « modernes » n’ont plus de retour de surpression externe mais un dispositif interne voir schéma pompe type E2T/E3T de Pierburg fabricant allemand de pompe électrique à carburant (et autre).
Sur ce schéma on peut visualiser les différents organes comme la pompe à couronne dentée, la soupape de décharge, le moteur, le clapet anti-retour, le pré filtre, les raccordements électriques.
Cette pompe comme la plupart des pompes « moderne » fonctionnent toutes sur le même principe.
Donc comme solution nous pouvons monter ce type de pompe disponible facilement, les deux grands fabricants européens de ce type de pompe étant Bosch et Pierburg...il y a aussi des pompes chinoises parait-il de bonne fabrication.
Bosch étant la première monte d’origine, on trouve beaucoup de référence Bosch pour ce type d’application, comme celle de la CX BX etc...pour rester dans notre marque.
Alors qu’est-ce qui est différent sur cette pompe en plus du retour interne de surcharge ?
Le raccordement électrique et la prise d’aspiration.
Alors regardons l’aspect électrique :
Le raccord d’origine de la pompe Bosch est spécifique.
Le plus arrivant dans le brancard par une cosse ronde de 4mm.
Le moins étant repris sur le châssis, en masse.
Lors de la dépose de la pompe d’origine, il faut donc récupérer le connecteur spécifique avec ces deux fils.
Les pompes de rechange à adapter ont soit des cosses types « faston » (plates) ou des tiges filetées sortant directement de la pompe (attention souvent 2 diamètres pour « détromper »).
Alors avec deux fils l’un allant de la fiche « moins » au châssis et l’autre allant de la fiche « plus » de pompe vers la cosse femelle ronde de 4mm d’arrivée de courant.
Après avoir préparé ces connexions électriques et en gardant précieusement la connectique d’origine si jamais Bosch nous refaisait des pompes conformes à l’origine…on peut rêver…
Alors maintenant passant à l’aspect « plomberie » :
La sortie de la pompe étant en 8mm pas de soucis on peut raccorder nos durites neuves de la sortie pompe vers le tube poly amide (PA) qui va au moteur.
Pour l’aspiration, ça se complique mais en fait facile.
Il faut fabriquer un raccord court de diamètre 12mm d’un coté avec un bout de durite de 12mm de 4 cm, et de l’autre un tube de 8mm extérieur. Un tube de 12 extérieur de 2 cm un réducteur 12/8 un tube de 8mm extérieur de 2 cm aussi, une soudure pour assembler tout ça ou si on n’est pas équipé pour ça la même chose en raccord à olive ou à bague laiton (ne pas utiliser de raccord type américain avec des joints caoutchoucs).
Le remplacement de la pompe s’accompagne souvent de la réfection du réservoir, la pompe lâche souvent par la présence d’eau de condensation alors le réservoir n’est sûrement pas beau non plus, c’est peut être le moment de s’en occuper.
Bon reprenons le circuit d’aspiration, le tube PA sort du réservoir vers le filtre, nous sommes sur l’aspiration donc hors pression, le premier filtre de qualité de filtrage convenable fera l’affaire en diamètre 8mm si possible le prendre translucide comme ça on peut surveiller son encrassement (surtout si on ne touche pas au réservoir pour le nettoyer et le traiter).
On pourra en profiter pour remplacer le tube plongeur en PA sûrement bien cassant ainsi que les durites de manchonnage.
A la sortie du filtre on va sur le raccord de plomberie coté 8mm en passant à travers le pied milieu avec un tube PA (que l’on peut mettre neuf aussi), vérifier la présence de la protection caoutchouc lors le la traversée de ce pied milieu.
A la sortie du pied milieu avec le tube PA encore un manchon en durite pour être fixé sur le réducteur coté 8mm, à la sortie du raccord cette fois en 12 mm encore une durite manchon de 12 mm intérieur et la pompe.
Reste le circuit de retour à modifier deux solutions :
- Soit en bouchant le retour de la pompe qui n’existe plus, pour faire un bouchon prendre un tube de 8 mm l’écraser sur une extrémité et mettre un point de soudure et poser, soit par un bouchon de raccord à olive pour ceux qui m’aime pas jouer avec le feu…
- Soit en suppriment le tube PA avec le Y, le déposer soigneusement pour au cas ou. Alors il suffit de mettre un tube PA vers le réservoir plongeant pour le retour le connecter sur le tube PA revenant du moteur avec un manchon en durite de 8 mm intérieur.
Bon nous avons vu le montage de la pompe « moderne » de remplacement reste à acheter cette pompe. Alors deux cas :
- Soit en neuf chez Pierburg pompe référence 7.21287.53.0 (prix catalogue HT de 162 euros le 15/10/06) ou Bosch référence 0 580 464 *** (il y a tellement de références pour une même voiture la BX au moins 3 références la moins cher étant à 170 euros HT le 15/10/06)
- Soit en occasion chez un casseur alors on prend ce qu’on trouve ce type de pompe se monte sur CX BX XM …chez Peugeot 505 405 309…chez Renault Espace 1 R19 R21 R25etc…il y en a plusieurs pages avec des Alfa BMW Fiat Opel …le coût varie bien sur mais entre 50 euros et 80 euros selon le casseur, on peut même élargir le champs aux Clio DCi….en gasoil il parait qu’on en trouve à la pelle…chouette me suis-je dit il va me donner des sous pour que l’en débarrasse…elle est monté depuis hier mais le casseur chez qui je vais m’a assuré que les joints tiennent bien au super même vieux, voir même avec d’autre produit il s’en sert pour vidanger les fluides de tout ordre des voitures.
Reste la partie mécanique :
La pompe étant plus petite en diamètre, il faut enrouler du ruban adhésif large pour serrer correctement la bride d’origine, ou tout autre cale d’épaisseur comme chambre à air de vélo du carton un chiffon…
Les évolutions possibles pour ceux qui ont en plus des soucis de régulation de pression, les pompes encore plus modernes de 406 par exemple seraient « régulatrice » en plus régulation à 2.2 bars alors on peut supprimer le régulateur coté moteur qui nous embête et aussi le retour puis que plus de décharge sur le régulateur, et donc pouvoir monter des réservoir « carbu » plus facile à trouver en bon état, un sympathique « garagiste » m’a donné l’info merci à lui.
Bon je pense rien à voir oublier …mais je suis sur que des questions technique vont arriver quand même.
Descriptif des photos :
- Pompe E2T Piergurg schéma interne
- Circuit d’essence du catalogue Pièces de rechanges
- Pompe Pierburg vu d’aspect.
- Pompe Bosch (origine Peugeot) vue d’ensemble.
Ce post se veut du type « tutorial ».
Présentation du problème :
Les pompes électriques à essence de nos DS tombant en panne de plus en plus, fuites d’essence, grippage moteur ou encore ne montant plus en pression les ressorts de soupape étant mangé par la corrosion, elles ne sont plus disponibles en « neuf » ou en « réfection », elles atteignent des prix affolants.
Le but de cette opération est de modifier la voiture pour quelle soit fonctionnelle, mais sans perdre de vue un retour éventuel à l’origine, donc aucune modification irréversible.
Les travaux sont accessibles à tous, ceux qui veulent une voiture fiable et qui n’ont pas peur de se coucher sous la voiture…et pas pour dormir à l’abri…
Attention lors des travaux toujours avoir un extincteur en état à portée de main. L’électricité et essence font rarement bon ménage un couple « explosif » dirons nous…
Fonctionnement d’origine et technologie des pompes :
La pompe électrique à essence est actionnée par un moteur électrique dit à rotor « noyé », l’essence aspirée circule autour du moteur proprement dit.
La partie « pomperie » étant une roue dentée avec des rouleaux, il s’agit donc d’une pompe volumétrique.
Ces pompes électriques sont conçues quasiment toutes de la même façon :
Elles possèdent un mécanisme en bout d’arbre (ou sur l’arbre) du moteur électrique celui ci baigne dans le liquide pompé, elles sont donc refroidies, lubrifiées, ce qui permet de réduire les pièces en mouvement et de la rendre plus compact.
Il existe deux façons d’installer une pompe à carburant sur un circuit d’alimentation, en ligne c'est-à-dire à l’extérieur du réservoir sur la ligne alimentaire d’essence (notre cas d’origine), l’autre « immergée » c'est-à-dire plongée dans le réservoir lui même.
La technologie de ces pompes volumétriques leur permet de monter en pression jusqu'à 6 ou 7 bars, par contre elles ont un capacité réduite à l’auto aspiration (le NPSH le Net Pressure Sussion Height dans le langage des constructeurs de pompe, en clair Hauteur Nette de Pression d’Aspiration), donc on ne peut pas les placer très loin ou très haut par rapport à la source de liquide, elles sont donc installée au plus prés du réservoir et en point bas.
Les pompes ont un dispositif protégeant des surpressions lors d’un bouchage du circuit de sortie, une soupape de décharge est donc placée de manière à recycler le liquide à l’entrée de la pompe sur les pompes dites « modernes » et vers le réservoir comme sur nos pompes d’origine.
Données techniques :
La pompe d’origine est donnée pour du 80l/h à 2 bars avec une décharge à 4 bars.
Les pompes « modernes » débitent 100l/h à 3 bars environ avec une décharge interne à 4.5 bars (à 7.5) en général.
Description du circuit d’origine :
Voir schéma du catalogue pièces de rechange 6-174/1.
L’essence aspirée (6) passe dans le filtre à essence puis dans la pompe, à sa sortie principale l’essence sort sous pression jusqu’à la rampe de distribution ou se trouve les injecteurs (les 5 avec départ à froid) et le régulateur de pression (réglage 2 bars).
A la sortie du régulateur l’excès de pression retour au réservoir, la pompe à une soupape de décharge de sécurité (tarée 4 bars) le carburant en surpression retourne lui aussi au réservoir en empruntant la même canalisation (7).
Remède :
On l’a vu la pompe d’origine est introuvable ou inaccessible par son prix.
Les pompes « modernes » n’ont plus de retour de surpression externe mais un dispositif interne voir schéma pompe type E2T/E3T de Pierburg fabricant allemand de pompe électrique à carburant (et autre).
Sur ce schéma on peut visualiser les différents organes comme la pompe à couronne dentée, la soupape de décharge, le moteur, le clapet anti-retour, le pré filtre, les raccordements électriques.
Cette pompe comme la plupart des pompes « moderne » fonctionnent toutes sur le même principe.
Donc comme solution nous pouvons monter ce type de pompe disponible facilement, les deux grands fabricants européens de ce type de pompe étant Bosch et Pierburg...il y a aussi des pompes chinoises parait-il de bonne fabrication.
Bosch étant la première monte d’origine, on trouve beaucoup de référence Bosch pour ce type d’application, comme celle de la CX BX etc...pour rester dans notre marque.
Alors qu’est-ce qui est différent sur cette pompe en plus du retour interne de surcharge ?
Le raccordement électrique et la prise d’aspiration.
Alors regardons l’aspect électrique :
Le raccord d’origine de la pompe Bosch est spécifique.
Le plus arrivant dans le brancard par une cosse ronde de 4mm.
Le moins étant repris sur le châssis, en masse.
Lors de la dépose de la pompe d’origine, il faut donc récupérer le connecteur spécifique avec ces deux fils.
Les pompes de rechange à adapter ont soit des cosses types « faston » (plates) ou des tiges filetées sortant directement de la pompe (attention souvent 2 diamètres pour « détromper »).
Alors avec deux fils l’un allant de la fiche « moins » au châssis et l’autre allant de la fiche « plus » de pompe vers la cosse femelle ronde de 4mm d’arrivée de courant.
Après avoir préparé ces connexions électriques et en gardant précieusement la connectique d’origine si jamais Bosch nous refaisait des pompes conformes à l’origine…on peut rêver…
Alors maintenant passant à l’aspect « plomberie » :
La sortie de la pompe étant en 8mm pas de soucis on peut raccorder nos durites neuves de la sortie pompe vers le tube poly amide (PA) qui va au moteur.
Pour l’aspiration, ça se complique mais en fait facile.
Il faut fabriquer un raccord court de diamètre 12mm d’un coté avec un bout de durite de 12mm de 4 cm, et de l’autre un tube de 8mm extérieur. Un tube de 12 extérieur de 2 cm un réducteur 12/8 un tube de 8mm extérieur de 2 cm aussi, une soudure pour assembler tout ça ou si on n’est pas équipé pour ça la même chose en raccord à olive ou à bague laiton (ne pas utiliser de raccord type américain avec des joints caoutchoucs).
Le remplacement de la pompe s’accompagne souvent de la réfection du réservoir, la pompe lâche souvent par la présence d’eau de condensation alors le réservoir n’est sûrement pas beau non plus, c’est peut être le moment de s’en occuper.
Bon reprenons le circuit d’aspiration, le tube PA sort du réservoir vers le filtre, nous sommes sur l’aspiration donc hors pression, le premier filtre de qualité de filtrage convenable fera l’affaire en diamètre 8mm si possible le prendre translucide comme ça on peut surveiller son encrassement (surtout si on ne touche pas au réservoir pour le nettoyer et le traiter).
On pourra en profiter pour remplacer le tube plongeur en PA sûrement bien cassant ainsi que les durites de manchonnage.
A la sortie du filtre on va sur le raccord de plomberie coté 8mm en passant à travers le pied milieu avec un tube PA (que l’on peut mettre neuf aussi), vérifier la présence de la protection caoutchouc lors le la traversée de ce pied milieu.
A la sortie du pied milieu avec le tube PA encore un manchon en durite pour être fixé sur le réducteur coté 8mm, à la sortie du raccord cette fois en 12 mm encore une durite manchon de 12 mm intérieur et la pompe.
Reste le circuit de retour à modifier deux solutions :
- Soit en bouchant le retour de la pompe qui n’existe plus, pour faire un bouchon prendre un tube de 8 mm l’écraser sur une extrémité et mettre un point de soudure et poser, soit par un bouchon de raccord à olive pour ceux qui m’aime pas jouer avec le feu…
- Soit en suppriment le tube PA avec le Y, le déposer soigneusement pour au cas ou. Alors il suffit de mettre un tube PA vers le réservoir plongeant pour le retour le connecter sur le tube PA revenant du moteur avec un manchon en durite de 8 mm intérieur.
Bon nous avons vu le montage de la pompe « moderne » de remplacement reste à acheter cette pompe. Alors deux cas :
- Soit en neuf chez Pierburg pompe référence 7.21287.53.0 (prix catalogue HT de 162 euros le 15/10/06) ou Bosch référence 0 580 464 *** (il y a tellement de références pour une même voiture la BX au moins 3 références la moins cher étant à 170 euros HT le 15/10/06)
- Soit en occasion chez un casseur alors on prend ce qu’on trouve ce type de pompe se monte sur CX BX XM …chez Peugeot 505 405 309…chez Renault Espace 1 R19 R21 R25etc…il y en a plusieurs pages avec des Alfa BMW Fiat Opel …le coût varie bien sur mais entre 50 euros et 80 euros selon le casseur, on peut même élargir le champs aux Clio DCi….en gasoil il parait qu’on en trouve à la pelle…chouette me suis-je dit il va me donner des sous pour que l’en débarrasse…elle est monté depuis hier mais le casseur chez qui je vais m’a assuré que les joints tiennent bien au super même vieux, voir même avec d’autre produit il s’en sert pour vidanger les fluides de tout ordre des voitures.
Reste la partie mécanique :
La pompe étant plus petite en diamètre, il faut enrouler du ruban adhésif large pour serrer correctement la bride d’origine, ou tout autre cale d’épaisseur comme chambre à air de vélo du carton un chiffon…
Les évolutions possibles pour ceux qui ont en plus des soucis de régulation de pression, les pompes encore plus modernes de 406 par exemple seraient « régulatrice » en plus régulation à 2.2 bars alors on peut supprimer le régulateur coté moteur qui nous embête et aussi le retour puis que plus de décharge sur le régulateur, et donc pouvoir monter des réservoir « carbu » plus facile à trouver en bon état, un sympathique « garagiste » m’a donné l’info merci à lui.
Bon je pense rien à voir oublier …mais je suis sur que des questions technique vont arriver quand même.
Descriptif des photos :
- Pompe E2T Piergurg schéma interne
- Circuit d’essence du catalogue Pièces de rechanges
- Pompe Pierburg vu d’aspect.
- Pompe Bosch (origine Peugeot) vue d’ensemble.
- Fichiers joints
-
- DSC00030LR.JPG (62.85 Kio) Vu 23048 fois
-
- pompe vue ens.jpg (4.54 Kio) Vu 23048 fois
-
- circuit réservoirLr.jpg (30.87 Kio) Vu 23048 fois
-
- schéma interne pompLR.jpg (35.34 Kio) Vu 23048 fois
-
Eric Compernolle (Dakar)
Re: Pompe à essence électrique adaptable
Bravo et Merci à Eric W.
Au départ je me suis dit "ça y est il a encore fait un roman"! Mais comme tu le dis c'est un tuto et toutes les explications même pour néophites sont là! Donc bravo pour ce travail et cette recherche.
J'ai effectivement gardé l'ancienne pompe bosch une entrée, une sortie montée précédemment sur ma 23. Je l'avais viré pensant qu'il n'y avait pas de soupape de sécurité! De retour en France je la testerai et regarderai à combien elle régule!
Au départ je me suis dit "ça y est il a encore fait un roman"! Mais comme tu le dis c'est un tuto et toutes les explications même pour néophites sont là! Donc bravo pour ce travail et cette recherche.
J'ai effectivement gardé l'ancienne pompe bosch une entrée, une sortie montée précédemment sur ma 23. Je l'avais viré pensant qu'il n'y avait pas de soupape de sécurité! De retour en France je la testerai et regarderai à combien elle régule!
-
WAGNEUR ERIC
Re: Pompe à essence électrique adaptable
Tiens bizarre pas de questions ?
Comme: Puisque l'on a une pompe moderne pourquoi ne met on pas un filtre moderne sur la sortie comme les voitures modernes?
Mais bien sur on peut mettre un filtre moderne de Xantia (premier modèle) sur la sortie de pression pour améliorer le filtrage, et mettre un préfiltre sur l'aspiration pour éviter les "poissons" de rouille sortie du réservoir...pour conserver cette pompe propre quand même.
Personne ne s'étonne de mettre un pompe de voiture "mazout" de plus une Renault sur une oeuvre d'art à essence...?
Comme: Puisque l'on a une pompe moderne pourquoi ne met on pas un filtre moderne sur la sortie comme les voitures modernes?
Mais bien sur on peut mettre un filtre moderne de Xantia (premier modèle) sur la sortie de pression pour améliorer le filtrage, et mettre un préfiltre sur l'aspiration pour éviter les "poissons" de rouille sortie du réservoir...pour conserver cette pompe propre quand même.
Personne ne s'étonne de mettre un pompe de voiture "mazout" de plus une Renault sur une oeuvre d'art à essence...?
-
Eric Compernolle (Dakar)
Re: Pompe à essence électrique adaptable
Ben écoute non! En plus tu dis dans ton tuto que l'essence va bien avec et qu'a la casse il aspire tout et n'importe quoi avec.
Comme tu le précisais, la connectique est différente, donc il faut adapter un connecteur (ou cosses) sur le faisceau d'origine, idem pour les diametres d'entrée et sortie d'essence. Donc sorti de là qu'on mette une pompe Renault ou ford, je ne vois pas trop le problème.
Et non Eric, tu as tout bien expliqué pourquoi veux tu qu'il y ai des questions?
Comme tu le précisais, la connectique est différente, donc il faut adapter un connecteur (ou cosses) sur le faisceau d'origine, idem pour les diametres d'entrée et sortie d'essence. Donc sorti de là qu'on mette une pompe Renault ou ford, je ne vois pas trop le problème.
Et non Eric, tu as tout bien expliqué pourquoi veux tu qu'il y ai des questions?
-
EMMANUEL HENROT
Re: Pompe à essence électrique adaptable
Bravo Eric pour cette Bible mais je voudrai revenir sur la fin du tutorial car tu explique que l'avantage d'une pompe auto-régulée est que l'on peut se passer du retour et donc utiliser un réservoir de type carbu, alors Là, je dis attention au déjaugeage car sur ma23 Ie qui avait un réservoir completemnt pourri j'ai voulu adapter un réservoir de carbu.
c'est tout simple après avoir rempli le réservoir d'eau ( pour éviter l'explosion des vapeurs résiduelless ), je l'ai percé et y ai inséré un tube de cuivre que j'ai soudé à l'étain avec un gros fer électrique de plombier.
Jusque là, tout allait bien, pas de fuite et bon fonctionnement jusqu'a que j'ai eu consommé un tiers du plein, car à partir de là, dans les virages à droite un peu long le moteur s'arretait et la pompe faisait le bruit du pompe qui aspire de l'air, donc warning puis 3 - 4 coups de clé pour remettre le circuit sous pression et hop j'étais reparti.
Tout cela pour dire que les réservoirs d'injection sont cloisonnés d'une façon différente que les models carbu.
c'est tout simple après avoir rempli le réservoir d'eau ( pour éviter l'explosion des vapeurs résiduelless ), je l'ai percé et y ai inséré un tube de cuivre que j'ai soudé à l'étain avec un gros fer électrique de plombier.
Jusque là, tout allait bien, pas de fuite et bon fonctionnement jusqu'a que j'ai eu consommé un tiers du plein, car à partir de là, dans les virages à droite un peu long le moteur s'arretait et la pompe faisait le bruit du pompe qui aspire de l'air, donc warning puis 3 - 4 coups de clé pour remettre le circuit sous pression et hop j'étais reparti.
Tout cela pour dire que les réservoirs d'injection sont cloisonnés d'une façon différente que les models carbu.
-
WAGNEUR ERIC
Re: Pompe à essence électrique adaptable
J'ai mis des photos sur un post du cloisonnement interne des réservoirs ie :
/forum/viewtopic.php?p=16795
/forum/viewtopic.php?p=16841
Il y a un piège à essence mais qui en vieillissant et en rouillant devient l'inverse d'un piège pour conserver le carburant, il empêche l'essence de remplir ce piège, alors le réservoir est plein partout sauf dans le cloisonnement du puits d'aspiration, là où il en faut.
Sur une pompe moderne non auto régulatrice, on fait circuler 100l/min d'essence alors le moindre virage engendre un désamorçage donc pour ce cas il faut un retour et un piège à essence sur le puits d'aspiration en bon état.
Pour une pompe standard si on déjauge pendant 30 secondes alors on « pompe » 50 litres d’air, il faudra attendre 30 secondes pour remplir a nouveau le circuit.
Mon propos de réservoir classique de version carburateur concerne les pompes « auto régulatrice » il n'y a plus cette re-circulation d'essence, il n’y a plus de retour donc le débit est minime, c’est celui de la consommation du véhicule, donc le virage va produire le même désamorçage que sur une version carbu donc il n'y a pas besoin de "piège à essence".
Une version carburateur peut elle aussi désamorcer dans un très grand virage long très long.
Là ou je pense que tu as fait une confusion c’est sur les pompes modernes classiques avec clapet de décharge interne qui évite de monter en surpression, il s’agit d’une protection de sécurité et non d’une régulation.
Cette protection ne doit en aucun cas servir à la régulation de pression, elle sert uniquement en cas de défaut (bouchage) de la sortie ou du retour, ou du blocage du régulateur de pression sur la rampe d’injection (coté moteur).
Pour les pompes « auto régulatrices » elles assurent elles même la fonction « pompe » et « régulation » la pompe se comporte comme une pompe à essence de carbu elle ne fait que maintenir la pression en donnant les quelques gouttes par minutes consommées, comme chacun sait les DS sont économiques….
Ces pompes n’ont pas de retour de surpression ni autre donc pas de circulation.
Elles ne se désamorcent pas, en tout cas pas plus que les pompes mécaniques des versions carburateurs.
Les propos sur la pompe « auto régulatrice » est une ouverture sur un sujet qui revient souvent aussi sur les problèmes de régulation de pression, le régulateur de pression sur la partie rampe d’injection réglable commence a être rare.
Donc cette pompe auto régulée pourrait permettre de solutionner se problème supplémentaire.
Comme tu l’as constaté aussi il est assez facile de trouver un réservoir « carbu » qu’un réservoir « injection » en bon état, donc cette solution de pompe « auto régulée » résout aussi ce problème.
Mais la régulation de pression et le réservoir méritent à eux seuls des sujets indépendants.
Emmanuel, n’hésites pas à demander des explications complémentaires.
Des mauvaises langues auraient dit faut prendre les virages plus doucement….
/forum/viewtopic.php?p=16795
/forum/viewtopic.php?p=16841
Il y a un piège à essence mais qui en vieillissant et en rouillant devient l'inverse d'un piège pour conserver le carburant, il empêche l'essence de remplir ce piège, alors le réservoir est plein partout sauf dans le cloisonnement du puits d'aspiration, là où il en faut.
Sur une pompe moderne non auto régulatrice, on fait circuler 100l/min d'essence alors le moindre virage engendre un désamorçage donc pour ce cas il faut un retour et un piège à essence sur le puits d'aspiration en bon état.
Pour une pompe standard si on déjauge pendant 30 secondes alors on « pompe » 50 litres d’air, il faudra attendre 30 secondes pour remplir a nouveau le circuit.
Mon propos de réservoir classique de version carburateur concerne les pompes « auto régulatrice » il n'y a plus cette re-circulation d'essence, il n’y a plus de retour donc le débit est minime, c’est celui de la consommation du véhicule, donc le virage va produire le même désamorçage que sur une version carbu donc il n'y a pas besoin de "piège à essence".
Une version carburateur peut elle aussi désamorcer dans un très grand virage long très long.
Là ou je pense que tu as fait une confusion c’est sur les pompes modernes classiques avec clapet de décharge interne qui évite de monter en surpression, il s’agit d’une protection de sécurité et non d’une régulation.
Cette protection ne doit en aucun cas servir à la régulation de pression, elle sert uniquement en cas de défaut (bouchage) de la sortie ou du retour, ou du blocage du régulateur de pression sur la rampe d’injection (coté moteur).
Pour les pompes « auto régulatrices » elles assurent elles même la fonction « pompe » et « régulation » la pompe se comporte comme une pompe à essence de carbu elle ne fait que maintenir la pression en donnant les quelques gouttes par minutes consommées, comme chacun sait les DS sont économiques….
Ces pompes n’ont pas de retour de surpression ni autre donc pas de circulation.
Elles ne se désamorcent pas, en tout cas pas plus que les pompes mécaniques des versions carburateurs.
Les propos sur la pompe « auto régulatrice » est une ouverture sur un sujet qui revient souvent aussi sur les problèmes de régulation de pression, le régulateur de pression sur la partie rampe d’injection réglable commence a être rare.
Donc cette pompe auto régulée pourrait permettre de solutionner se problème supplémentaire.
Comme tu l’as constaté aussi il est assez facile de trouver un réservoir « carbu » qu’un réservoir « injection » en bon état, donc cette solution de pompe « auto régulée » résout aussi ce problème.
Mais la régulation de pression et le réservoir méritent à eux seuls des sujets indépendants.
Emmanuel, n’hésites pas à demander des explications complémentaires.
Des mauvaises langues auraient dit faut prendre les virages plus doucement….
-
EMMANUEL HENROT
Re: Pompe à essence électrique adaptable
Ok merci Eric pour tes lumières, si j'avais su j'aurai remplacé la pompe et pas le réservoir car il m'a couté les yeux de la tête et en plus je vais devoir finir par changer la pompe !!!
j'ai posté un sujet sur mon problème de moteur sur le forum mécanique " PB de villebrequin", peux tu me guider sur la suite des opérations que je dois effectuer, merci par avance.
j'ai posté un sujet sur mon problème de moteur sur le forum mécanique " PB de villebrequin", peux tu me guider sur la suite des opérations que je dois effectuer, merci par avance.
-
Gilles Guimbaud 83
Re: Pompe à essence électrique adaptable
bravo Eric!!
Chapeau bas!!!!!!
Pour ma part, j'ai reconfectionné en neuf un faisceau d'injection coté injecteur! 5 heures de boulot!!
Chapeau bas!!!!!!
Pour ma part, j'ai reconfectionné en neuf un faisceau d'injection coté injecteur! 5 heures de boulot!!
-
WAGNEUR ERIC
Re: Pompe à essence électrique adaptable
Ou as tu récupéré les connecteurs, les tétines, et pour le "gros faisceau ie" ou trouves tu les connecteurs 2, 3, 4 broches (petits rectangles blancs)récup ou neuf ?.
Avec christian on cherche un filtre à air spécial ie, un rond plat pas un cylindrique spécial clim, c'est pour Michel.
Avec christian on cherche un filtre à air spécial ie, un rond plat pas un cylindrique spécial clim, c'est pour Michel.
-
michel bazin
Re: Pompe à essence électrique adaptable
merci Eric
c'est une solution que je vais surement envisager étant donné son coût
michel
c'est une solution que je vais surement envisager étant donné son coût
michel