cylindre de débrayage
Modérateurs : DominiqueHok, DominiqueHok, DominiqueHok, DominiqueHok, DominiqueHok
-
jf lorin72
cylindre de débrayage
bonsoir à tous
voila mon problème
apres être rentrer de Toulouse-le Mans trés peiniblement,10 litres de LHM disparus par une fuite mysterieuse ce soir je re-démonte ,radiateur,alternateur et tout ce qui pouvait me gêner,la voiture à fonctionné pendant 3/4 heure au ralenti dans le garage et la pas une trace de LHM donc je pense que la fuite pouvait venir des freins j'ai actionné pas mal de fois les freins ,rien!!!,donc passage des vitesses (vehicule sur cale)le tout, en douceur et la petit suintement au niveau du cylindre de debrayage ,tout comme on l'avait vu sur la route ,donc démontage de cette piéce
1er) le pare-poussière est mort et pas de tuyau de retour je l'avais vu lors du remontage du moteur .Une fois en main je le compare avec celui qui est en place sur l'autre moteur de ma 23 ie,il est plus petit en diamétre et la tige de commande mesure 80mm contre 90mm ,
2°)il n'y a pas de ressort à l'interieur et la tige etait mise coté epaulée vers le cylindre?
ceci explique peut-être mon mauvais réglage de passage de vitesse(autre petit problème)
alors 2 questions,pour les 23 ie bvh le cylindre de débrayage est-il plus gros que sur les autres DS ou y a t-il eut plusieurs modèles .Avant de remonter mon ancien cylindre existe t-il en pièce neuve et ou?
Je ne suis toujours pas sûr que c'est l'origine de cette grosse fuite,le tuyau de retour du pare-poussière se branche ou? car je ne trouve aucune indication sur les revues ni sur la voiture un cylindre de débrayage peut-il provoquer une t'elle fuite
le seul Sarthoisà la SN que etait bien entouré par les copains du club centre et je tiens à les remercier pour leur aide surtout pour le LHM vive idéale-ds!,oui je sais!remonter un moteur de 23 ie en une semaine et avant la SN c'etait un paris fou,oui mais un de plus et tenu! ,merci à"super Claude "pour les conseils techniques et le coup de main
Stéphane svp ne ferme pas le forum technique!!!
jf
voila mon problème
apres être rentrer de Toulouse-le Mans trés peiniblement,10 litres de LHM disparus par une fuite mysterieuse ce soir je re-démonte ,radiateur,alternateur et tout ce qui pouvait me gêner,la voiture à fonctionné pendant 3/4 heure au ralenti dans le garage et la pas une trace de LHM donc je pense que la fuite pouvait venir des freins j'ai actionné pas mal de fois les freins ,rien!!!,donc passage des vitesses (vehicule sur cale)le tout, en douceur et la petit suintement au niveau du cylindre de debrayage ,tout comme on l'avait vu sur la route ,donc démontage de cette piéce
1er) le pare-poussière est mort et pas de tuyau de retour je l'avais vu lors du remontage du moteur .Une fois en main je le compare avec celui qui est en place sur l'autre moteur de ma 23 ie,il est plus petit en diamétre et la tige de commande mesure 80mm contre 90mm ,
2°)il n'y a pas de ressort à l'interieur et la tige etait mise coté epaulée vers le cylindre?
ceci explique peut-être mon mauvais réglage de passage de vitesse(autre petit problème)
alors 2 questions,pour les 23 ie bvh le cylindre de débrayage est-il plus gros que sur les autres DS ou y a t-il eut plusieurs modèles .Avant de remonter mon ancien cylindre existe t-il en pièce neuve et ou?
Je ne suis toujours pas sûr que c'est l'origine de cette grosse fuite,le tuyau de retour du pare-poussière se branche ou? car je ne trouve aucune indication sur les revues ni sur la voiture un cylindre de débrayage peut-il provoquer une t'elle fuite
le seul Sarthoisà la SN que etait bien entouré par les copains du club centre et je tiens à les remercier pour leur aide surtout pour le LHM vive idéale-ds!,oui je sais!remonter un moteur de 23 ie en une semaine et avant la SN c'etait un paris fou,oui mais un de plus et tenu! ,merci à"super Claude "pour les conseils techniques et le coup de main
Stéphane svp ne ferme pas le forum technique!!!
jf
-
laurent haillot
Re: cylindre de débrayage
Bonjour.
Oui sur les injections le cylindre de debrayage est de plus gros diametre et comporte un ressort.Tu a un modele pour DS a carbu.
Oui sur les injections le cylindre de debrayage est de plus gros diametre et comporte un ressort.Tu a un modele pour DS a carbu.
-
Eric Compernolle (29)
Re: cylindre de débrayage
Je confirme les dires de Laurent et j'ajoute que le "retour" de fuite n'en est pas un, c'est juste un petit tuyau rilsan qui dirige les eventuelles fuites de lhm le long de la boite. Ceci afin d'éviter des projection sur les freins AVD. Mais il ne doit pas y avoir de fuite en principe.
-
jf lorin72
Re: cylindre de débrayage
bonjour Eric et Laurent
Donc j'avais un cylindre de débrayage pour un moteur à carbu!
Cela peut il avoir une incidence sur le passage des vitesse?
Pour le tuyau de retour donc pas de branchement sur le reservoir lhm
Vu qu'il y a une fuite importante j' en déduit que le cylindre est mort,j'ai celui de mon moteur mais il a pas mal de bornes je vais essayer de m'en procuré un en bon état mais ou?
comme toute piéce sur 23 ie tout est facile à démonter quand on a déposé la moitié du moteur!!!
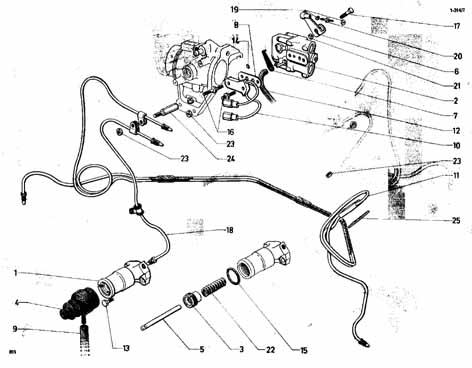
L'etanchité du cylindre est-elle faite par le joint n°15 sur la revue rta?
jf
Donc j'avais un cylindre de débrayage pour un moteur à carbu!
Cela peut il avoir une incidence sur le passage des vitesse?
Pour le tuyau de retour donc pas de branchement sur le reservoir lhm
Vu qu'il y a une fuite importante j' en déduit que le cylindre est mort,j'ai celui de mon moteur mais il a pas mal de bornes je vais essayer de m'en procuré un en bon état mais ou?
comme toute piéce sur 23 ie tout est facile à démonter quand on a déposé la moitié du moteur!!!
L'etanchité du cylindre est-elle faite par le joint n°15 sur la revue rta?
jf
-
jf lorin72
Re: cylindre de débrayage
re
une société spécialisé dans lhydraulique dans le 91 propose des cylindres à 300 euros
un prix qui me semble un peu fort non?
une société spécialisé dans lhydraulique dans le 91 propose des cylindres à 300 euros
un prix qui me semble un peu fort non?
-
Gérard Riout 69
Re: cylindre de débrayage
Bonjour,
L’étanchéité du cylindre de débrayage est bien assurée par le joint (15).
L’étanchéité du cylindre de débrayage est bien assurée par le joint (15).
- Fichiers joints
-
- Cyl-emb.jpg (43.77 Kio) Vu 4233 fois
-
Stephane Vandepeutte
Re: cylindre de débrayage
Jean François,
Qui a parlé de fermer le forum technique ?
Stéphane.
Qui a parlé de fermer le forum technique ?
Stéphane.
-
pascal le Havre76
Re: cylindre de débrayage
Salut JF!
Avnat de mettre 300 € dans un cylindre tu peux changer le joint à condition que le piston et le cylindre soit en bon état.
Si le LHM s'écoule par le tuyau rilsan c'est que ton cylindre fuit car en fonctionnement normal il n'y a aucun écoulement.
Tu peux trouver le nécessaire de réparation pour ton cylindre chez les revendeurs habituels.
Bon courage.
Avnat de mettre 300 € dans un cylindre tu peux changer le joint à condition que le piston et le cylindre soit en bon état.
Si le LHM s'écoule par le tuyau rilsan c'est que ton cylindre fuit car en fonctionnement normal il n'y a aucun écoulement.
Tu peux trouver le nécessaire de réparation pour ton cylindre chez les revendeurs habituels.
Bon courage.
-
jf lorin72
Re: cylindre de débrayage
bonsoir à tous
Pour remplacer le joint y a t'il besoin d'outil spéciaux et la complexité de cette répartion est-elle importante.
Stéphane,je ne demande pas que le forum technique ferme mais pour l'instant le forum divers ne m'est plus accesible et vu ma passion tres modéré pour l'informatique je laisse tomber car le "temps" me manque beaucoup,quand un sujet me prend la tête je le zappe ou le supprime!.
jf
Pour remplacer le joint y a t'il besoin d'outil spéciaux et la complexité de cette répartion est-elle importante.
Stéphane,je ne demande pas que le forum technique ferme mais pour l'instant le forum divers ne m'est plus accesible et vu ma passion tres modéré pour l'informatique je laisse tomber car le "temps" me manque beaucoup,quand un sujet me prend la tête je le zappe ou le supprime!.
jf