fuite boite de vitesses (DSuper5)
Modérateurs : DominiqueHok, DominiqueHok, DominiqueHok, DominiqueHok, DominiqueHok
-
le ouf 76
Re: fuite boite de vitesses (DSuper5)
Bonsoir les enfants!
Du calme, du calme!
C'est vrai que sur la photo on croirait du LHM, ça ressemble à du LHM, ça a le goût du LHM (hummmm!) mais......
Non c'est bien une fuite du couvercle!
Donc, je résume : joint torik pour l'axe de fourchette et après ?
Du calme, du calme!
C'est vrai que sur la photo on croirait du LHM, ça ressemble à du LHM, ça a le goût du LHM (hummmm!) mais......
Non c'est bien une fuite du couvercle!
Donc, je résume : joint torik pour l'axe de fourchette et après ?
-
franck_38
Re: fuite boite de vitesses (DSuper5)
houlà ça chauffe j'aime ça !!
En effet, comme le dit Flaminio (pas toujours z'avec tact il est vrai mais avec compétence) je crois bien que tu as avant tout une bonne fuite de LHM à la direction : il est évident que l'huile ne peut pas remonter (avec ses petits bras musclés ) de dessous le couvercle de boite à dessus......même avec les déplacements d'air fous engendrés dans le moteur par une DS lancée à pleine vitesse )
Par contre la bouillie noirâtre sous le couvercle montre que tu as aussi un suintement d'huile.
N'ayant pas démonter (encore ) de BM, je laisse le soin aux autres formumiste de te rencarder sur les joints divers et avariés !
Sur ma BVH, j'ai juste mis, comme le dit Larouille, un peu de pâte à joint sur le pourtour du couvercle avant remontage. Par contre je n'y ai pas vu de joint torique (sauf dans les "appareillages hydro" de passage de vitesse)
allez keeeeep coooooooooooool
En effet, comme le dit Flaminio (pas toujours z'avec tact il est vrai mais avec compétence) je crois bien que tu as avant tout une bonne fuite de LHM à la direction : il est évident que l'huile ne peut pas remonter (avec ses petits bras musclés ) de dessous le couvercle de boite à dessus......même avec les déplacements d'air fous engendrés dans le moteur par une DS lancée à pleine vitesse )
Par contre la bouillie noirâtre sous le couvercle montre que tu as aussi un suintement d'huile.
N'ayant pas démonter (encore ) de BM, je laisse le soin aux autres formumiste de te rencarder sur les joints divers et avariés !
Sur ma BVH, j'ai juste mis, comme le dit Larouille, un peu de pâte à joint sur le pourtour du couvercle avant remontage. Par contre je n'y ai pas vu de joint torique (sauf dans les "appareillages hydro" de passage de vitesse)
allez keeeeep coooooooooooool
-
Gérard Riout 69
Re: fuite boite de vitesses (DSuper5)
Bonjour à tous,
L’étanchéité du couvercle de BV est assurée par de la pâte à joint. L’étanchéité de la commande des vitesses est assurée par deux joints toriques, le petit couvercle par de la pâte.
En l’état du démontage, il me semble que la dépose du couvercle est à faire. Profite de l’occasion pour vérifier si une bavure ou de la pâte durcie ne provoque pas cette fuite.
Contrôle le niveau huile et comme l’indique Mathias la mise à l’air libre.
Quant à la fuite éventuelle de LHM au niveau de la direction, c’est facile de la vérifier !
L’étanchéité du couvercle de BV est assurée par de la pâte à joint. L’étanchéité de la commande des vitesses est assurée par deux joints toriques, le petit couvercle par de la pâte.
En l’état du démontage, il me semble que la dépose du couvercle est à faire. Profite de l’occasion pour vérifier si une bavure ou de la pâte durcie ne provoque pas cette fuite.
Contrôle le niveau huile et comme l’indique Mathias la mise à l’air libre.
Quant à la fuite éventuelle de LHM au niveau de la direction, c’est facile de la vérifier !
-
Eric Compernolle (29)
Re: fuite boite de vitesses (DSuper5)
Et cet évent de mise a l'air libre où est il?
-
Flaminio
Re: fuite boite de vitesses (DSuper5)
Bonjour à tous,
mea culpa mille fois, j'ai fait une bourde monumentale, le liquide sur le couvercle de la boite ne peut-être le lhm car la direction est beaucoup trop loin ou alors c'est qu'il y a un gros pb du coté de la direction. J'aurais du mettre une paire de lunettes, mais les photos, c'est comme les jolies filles, de loin c'est trompeur. De toute les façons, ce ne peu être de l'huile de boite car comme l'a souligné judicieusemnt Franck 38 l'huile ne remonte pas autant par capillarité et la gravité passant par là, elle ne peut la vaincre toute seule avec ses petits bras musclés. De toute les façons, il faut être devant la chose pour faire un diagnostique précis et sans bavures.
Je maintiens quand même, que tout le liquide qui stagne sur le dessus du couvercle, est arrivé d'un point placé plus haut que ce dernier.
Cordialement
mea culpa mille fois, j'ai fait une bourde monumentale, le liquide sur le couvercle de la boite ne peut-être le lhm car la direction est beaucoup trop loin ou alors c'est qu'il y a un gros pb du coté de la direction. J'aurais du mettre une paire de lunettes, mais les photos, c'est comme les jolies filles, de loin c'est trompeur. De toute les façons, ce ne peu être de l'huile de boite car comme l'a souligné judicieusemnt Franck 38 l'huile ne remonte pas autant par capillarité et la gravité passant par là, elle ne peut la vaincre toute seule avec ses petits bras musclés. De toute les façons, il faut être devant la chose pour faire un diagnostique précis et sans bavures.
Je maintiens quand même, que tout le liquide qui stagne sur le dessus du couvercle, est arrivé d'un point placé plus haut que ce dernier.
Cordialement
-
le ouf 76
Re: fuite boite de vitesses (DSuper5)
Bonjour à tous!
Flaminio, je ne m'attendais pas à une excuse de toi, tu es pardonné!
En général, lorsque je lance un sujet, il est en rapport avec la panne (comme disait Larouille)
Grand merci à Gérard pour la réponse claire et précise! (et une boite de chocolat, une!)
Bref, revenons au sujet:
Vision d'horreur en ôtant le petit couvercle et le grand, aucune pâte à joint sur les contours (des traces noirâtres à la place incrustées dans l'aluminium des couvercles).
De plus, j'ai l'impression qu'il manquait des rondelles sur les vis de fixation!
j'ai trouvé la solution: je vais souder les couvercles! (je déconne, c'est presque Noël!)
Gérard, encore une question:
Eric et moi, on se demande justement où se trouve la mise à l'air libre, sur les couvercles ?
Et si je mets un joint papier indéchirable avec pâte, pas de contre-indication ?
Merci!
Flaminio, je ne m'attendais pas à une excuse de toi, tu es pardonné!
En général, lorsque je lance un sujet, il est en rapport avec la panne (comme disait Larouille)
Grand merci à Gérard pour la réponse claire et précise! (et une boite de chocolat, une!)
Bref, revenons au sujet:
Vision d'horreur en ôtant le petit couvercle et le grand, aucune pâte à joint sur les contours (des traces noirâtres à la place incrustées dans l'aluminium des couvercles).
De plus, j'ai l'impression qu'il manquait des rondelles sur les vis de fixation!
j'ai trouvé la solution: je vais souder les couvercles! (je déconne, c'est presque Noël!)
Gérard, encore une question:
Eric et moi, on se demande justement où se trouve la mise à l'air libre, sur les couvercles ?
Et si je mets un joint papier indéchirable avec pâte, pas de contre-indication ?
Merci!
-
Gérard Riout 69
Re: fuite boite de vitesses (DSuper5)
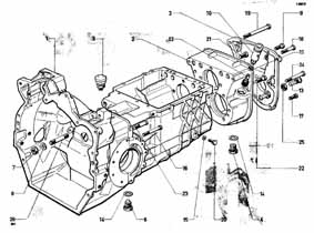
J’avoue ne plus me souvenir ou est situé le trou de mise à air libre de la BV ?
C’est une sorte de gros gicleur vissé 9X125 (repère 12 sur la planche ci-dessous, les modèles PO ont un petit reniflard repère2/5 sur BV5) en partie supérieure, pas forcément sur le couvercle.
Normalement c’est joint ou pâte mais les deux ça doit être étanche.
C’est une sorte de gros gicleur vissé 9X125 (repère 12 sur la planche ci-dessous, les modèles PO ont un petit reniflard repère2/5 sur BV5) en partie supérieure, pas forcément sur le couvercle.
Normalement c’est joint ou pâte mais les deux ça doit être étanche.
- Fichiers joints
-
- BV-Carter.jpg (50.48 Kio) Vu 3243 fois
-
- BV-Carter2.jpg (35.74 Kio) Vu 3243 fois
-
François 44
Re: fuite boite de vitesses (DSuper5)
Je viens de lever mon capot et j'ai pu faire 2 constatations. La première c'est qu'une fuite à la direction (soufflets déchirés) se traduira immanquablement par la présence de LHM sur le couvercle de boite. La seconde c'est que toutes les boites ne sont pas équipées du même type de mise à l'air. C'est soit une sorte de gros gicleur percé de 3 ou 4 trous comme une salière, soit il y a à sa place une vis en alu avec une fente et un trou au milieu. Cette mise à l'air est située près du plan de joint séparant le carter de boite et la cloche d'embrayage (côté boite), vissée sur un bossage venu de fonderie à peu près à l'aplomb de la sortie de boite gauche.
-
Eric Compernolle (29)
Re: fuite boite de vitesses (DSuper5)
on a enfin réussi à coller Gérard ?
Merci pour ces réponses toujours précises... Il faut que j'aille voir ça de plus près. (Sans méchanceté, François t'aurais pas pu mettre une flèche sur le dessin du dessus par copier coller? J'ai du lire 3 fois ton post pour penser savoir ou est ce fameux évent) Je pense que c'est moi qui est lent à la détente...
Merci pour ces réponses toujours précises... Il faut que j'aille voir ça de plus près. (Sans méchanceté, François t'aurais pas pu mettre une flèche sur le dessin du dessus par copier coller? J'ai du lire 3 fois ton post pour penser savoir ou est ce fameux évent) Je pense que c'est moi qui est lent à la détente...