Page 1 sur 3
Changement de pompe hydraulique
Posté : lun. 8 janv. 2024 22:42
par JP39
Bonsoir,
Après mes affaires d'allumage, me voilà sur la chasse aux fuites.
Grosse flaque sous la DS....
J'ai un doute de la provenance pour l'instant, mais maintenant qu'elle démarre, je vais la monter et aller voir de plus près.
Je vous fais une photo du LHM sur le chassis et vers la pompe.
Vous me donnerez votre avis, mais les courroies sont imbibées et ça siffle moteur tournant.....roulement, courroies...
En tout cas ma pompe fuyait depuis un moment, alors, .....
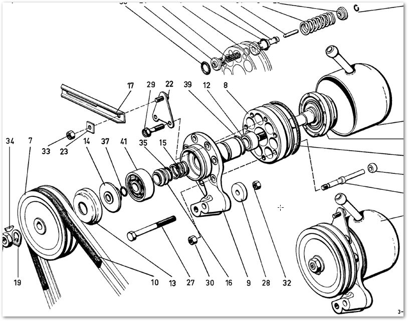
Si il existe un tuto ou des conseils pour changer Pompe, et toutes les courroies.....J'ai cru comprendre que l'on passait toutes les courroies par le ventilateur ?
Est-on obligé de l'enlever.
Le réglage de l'embrayage sera à faire car on doit décrocher la commande, je suppose....
Voilà, pas mal de questions pour un néophyte de la DS, qui apprend et qui aime faire seul pour la mécanique et comprendre dans quoi il roule !
Merci pour vos retours.
Jean-Pierre
Re: Changement de pompe hydraulique
Posté : mar. 9 janv. 2024 21:53
par Eric_cpn
Bonsoir,
On attend les photos, mais dans l'idée voici comment on dépose Pompe HP et courroies:
- Débrancher le tuyau allant au filtre LHM
- débrancher le raccord de sortie de pompe HP
- déposer l'écrou du tirant de maintien de la pompe HP
- desserrer sa fixation en bas, permettant de la pousser vers la pompe à eau, détendant les courroies.
- desserrer l'écrou de réglage de l'embrayage, afin de pouvoir dégager la tige de poussée, obligatoire pour sortir les courroies.
- déposer uniquement l'helice de la pompe à eau (4 vis tete de 10) facilitant le passage des courroies.
- déposer l'axe de fixation de la pompe HP (attention, il peut y avoir une rondelle de réglage), pour la déposer.
Attention la pompe est rempli de LHM, vider le surplus dans le bocal LHM

Re: Changement de pompe hydraulique
Posté : mar. 9 janv. 2024 23:01
par JP39
Super , merci, oui, pas de soucis particulier pour cette opération. Demain je vais faire les photos des fuites pour avoir votre avis, car cela me parait quand même beaucoup pour venir seulement de la pompe.
Ou puis-je acheter la pompe de remplacement....ou la faire réparer.
J'achète régulièrement chez CitroenDS.net.
Ils proposent une pompe en revoyant l'ancienne....
QU'en pensez-vous ?
Merci,
Jean-Pierre
Re: Changement de pompe hydraulique
Posté : mer. 10 janv. 2024 17:20
par JP39
Re: Changement de pompe hydraulique
Posté : mer. 10 janv. 2024 17:21
par JP39
C e qui est sur c'est que les courroies sont complètements imbibées....et qu'il y a un sifflement au démarrage,....courroies, roulement de pompe ?
Merci,
JP
Re: Changement de pompe hydraulique
Posté : mer. 10 janv. 2024 18:55
par Ganesh
Quand elles sont trop tendues aussi.
Re: Changement de pompe hydraulique
Posté : mer. 10 janv. 2024 21:54
par Eric_cpn
Souvent la pompe HP fuit par l'axe et ça coule sur une ailette de la cloche d'embrayage, tombe sur la partie que tu as photographié.
Mais là pour avoir les courroies imbibées comme ça, as tu contrôlé que ton raccord HP est bien serré?
car là ça semble gicler sacrément.
C'est bien du LMH et non du liquide de refroidissement au fait?
ça pourrait être la pompe à eau en cause dans ce cas.
Pour l'échange standard de la pompe HP, je n'ai pas d'avis négatif avec le site que tu mentionnes.
Tu peux parfois en trouver d'occasion mais c'est la roulette russe

Re: Changement de pompe hydraulique
Posté : jeu. 11 janv. 2024 19:31
par JP39
Merci Eric pour ton avis.
J'ai nettoyé et mis un chiffon sous la pompe et on dirait que ça n’atteint plus le bas du châssis....je confirmerai demain, mais cela semble aller dans ton sens...
La pompe fuit depuis longtemps......et j'avais déjà resserré, vérifié le raccord HP. Je crois bien que la pompe fuit pas l'axe comme tu dis.
J'ai des joints hydrauliques. je peux essayer de changer le joint ! Qu'en penses-tu ?
Et puis il y a ce sifflement, je me demande si ce n'est pas l'axe de la pompe justement, il y a un roulement j'imagine !
Je suis on pour une pompe pour être tranquille..
Je fais le point en fin de semaine après nettoyage et quelques minutes en marche.....maintenant qu'elle démarre du tonnerre !!! même par grand froid au fond du garage avec une batterie fatiguée !
Re: Changement de pompe hydraulique
Posté : jeu. 11 janv. 2024 19:35
par JP39
Liquide de refroidissement...... je ne pense pas....c'est gras comme du LHM et cette elle couleur verte !
Tu me mets quand même le doute. Je vérifierai le niveau au radiateur !
Merci pour les pistes.
C'est interessant.
Et puis je vais opter pour du neuf ou reconditionné pour repartir tranquille pour 10 ans !
JP
Re: Changement de pompe hydraulique
Posté : jeu. 11 janv. 2024 21:05
par Eric_cpn
Pour te répondre, oui il y a un roulement,

- 2024-01-11 21_04_19-648-1+2.pdf - Adobe Acrobat Reader (64-bit).jpg (103.29 Kio) Vu 17555 fois