Re: Amorcer le lave-glace

Réparations de tolerie, choix d'une teinte d'origine, remplacement du ciel de pavillon... ici tous les conseils pour rendre votre DS encore plus belle.

Modérateurs : DominiqueHok, DominiqueHok, DominiqueHok, DominiqueHok, DominiqueHok

Répondre
Gérard Riout

Re: Amorcer le lave-glace

Message par Gérard Riout »

Bonjour Guillaume,

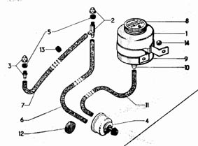
Avec les pompes de lave-glace mécanique, pour fonctionner il-est nécessaire que les clapets au niveau des gicleurs et du bocal fonctionnent normalement. Ils sont souvent bloqués et l’amorçage ne se fait plus. Un bon nettoyage et tout doit rentrer dans l’ordre.

Gérard
Fichiers joints
L-G mécanique.jpg
L-G mécanique.jpg (20.54 Kio) Vu 2204 fois
Répondre