Salut à tous
Vu qu'il n'y a pas beaucoup de questions ces temps ci, je me devoue ...
Quelqu'un saurait il comment qui faut qu'on fait pour démonter le faisceau hydraulique situé dans le longeron gauche.
J'ai beau retourner le probléme dans tous les sens, je séche.
plus
Faisceau hydraulique
Modérateurs : DominiqueHok, DominiqueHok, DominiqueHok, DominiqueHok, DominiqueHok
Re: Faisceau hydraulique
Bonjour Julien,
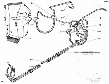
La dépose du faisceau hydraulique de longeron s’effectue de la manière suivante. Caler le véhicule, faire chuter la pression dans les circuits, déposer ailes AVG, ARG, tôles de protection des correcteurs AV AR et sous brancard.
Repérer et noter la position des tubes sur les organes (peinture ou autre), débrancher les raccords.
Redresser très délicatement la partie avant des tubes, pour obtenir un faisceau le plus droit possible. Enlever les fixations du faisceau sur la caisse et sortir l’ensemble par l’AR.
A noter que le service pièces de rechange fournissait un faisceau en deux parties pour le remplacement ref : DX 394 25 pour AV et DX 394 26 pour AR, la liaison se faisant par quatre raccords DJ 394 46. Ce qui facilitait grandement la réparation, il faut dire qu’un faisceau ne se remplace en principe que sur choc ou corrosion des tubes.
Aujourd’hui les pièces de rechange ne se fournissant certainement plus les faisceaux hydrauliques. La difficulté en cas de dépose et pose du faisceau pour rénovation des longerons par exemple se situe au niveau de la remise en forme des tuyauteries au remontage.
L’opération détaillée ne figure pas au manuel de réparation Citroën.
En espérant avoir répondu à ton interrogation,
Gérard
La dépose du faisceau hydraulique de longeron s’effectue de la manière suivante. Caler le véhicule, faire chuter la pression dans les circuits, déposer ailes AVG, ARG, tôles de protection des correcteurs AV AR et sous brancard.
Repérer et noter la position des tubes sur les organes (peinture ou autre), débrancher les raccords.
Redresser très délicatement la partie avant des tubes, pour obtenir un faisceau le plus droit possible. Enlever les fixations du faisceau sur la caisse et sortir l’ensemble par l’AR.
A noter que le service pièces de rechange fournissait un faisceau en deux parties pour le remplacement ref : DX 394 25 pour AV et DX 394 26 pour AR, la liaison se faisant par quatre raccords DJ 394 46. Ce qui facilitait grandement la réparation, il faut dire qu’un faisceau ne se remplace en principe que sur choc ou corrosion des tubes.
Aujourd’hui les pièces de rechange ne se fournissant certainement plus les faisceaux hydrauliques. La difficulté en cas de dépose et pose du faisceau pour rénovation des longerons par exemple se situe au niveau de la remise en forme des tuyauteries au remontage.
L’opération détaillée ne figure pas au manuel de réparation Citroën.
En espérant avoir répondu à ton interrogation,
Gérard
- Fichiers joints
-
- Canalisations-freins.jpg (25.16 Kio) Vu 5908 fois
Re: Faisceau hydraulique
Merci Gérard,
Voila pourquoi je ne comprenais rien :
Chez Retrostock, sous les références 3979 et 3969, on trouve des faisceaux hydrauliques à 4 canalisations pour partie AV et pour partie AR.
Mais je ne trouvais pas de raccord sur mes tubes, donc ce systéme de réparation existe encore .
Si je veus les enlever, ce n'est pas parce qu'il sont particuliérement abimés, mais comme mes longerons sont murs, je préfére avoir de la place pour jouer de la meuleuse.
plus
Voila pourquoi je ne comprenais rien :
Chez Retrostock, sous les références 3979 et 3969, on trouve des faisceaux hydrauliques à 4 canalisations pour partie AV et pour partie AR.
Mais je ne trouvais pas de raccord sur mes tubes, donc ce systéme de réparation existe encore .
Si je veus les enlever, ce n'est pas parce qu'il sont particuliérement abimés, mais comme mes longerons sont murs, je préfére avoir de la place pour jouer de la meuleuse.
plus
-
- Messages : 126
- Enregistré le : jeu. 13 déc. 2012 15:48
- Pays : Thailande et France
- Numéro de membre : 67
Re: Faisceau hydraulique
Bonjour,
Je m'apprête à sortir mon faisceau hydraulique.
Avant de le sortir, dois-je d'abord retirer les 3 blocs caoutchouc carrés et les 2 blocs plats qui ensèrent les 4 tuyaux?
Lors de la réinstallation du faisceau hydraulique dans le longeron gauche, idem, faut-il placer ces 3 blocs caoutchouc et ces 2 blocs plats qui ensèrent les tuyaux avant de réinsérer le faisceau ou bien faut-il le faire seulement une fois le faisceau réinséré?
Merci de vos réponses et bon dimanche,
Pascal
Je m'apprête à sortir mon faisceau hydraulique.
Avant de le sortir, dois-je d'abord retirer les 3 blocs caoutchouc carrés et les 2 blocs plats qui ensèrent les 4 tuyaux?
Lors de la réinstallation du faisceau hydraulique dans le longeron gauche, idem, faut-il placer ces 3 blocs caoutchouc et ces 2 blocs plats qui ensèrent les tuyaux avant de réinsérer le faisceau ou bien faut-il le faire seulement une fois le faisceau réinséré?
Merci de vos réponses et bon dimanche,
Pascal