accu de frein
Modérateurs : DominiqueHok, DominiqueHok, DominiqueHok, DominiqueHok, DominiqueHok
-
françois
accu de frein
Dans tous les bouquins de pièces, on trouve accu de freins, je souhaiterai savoir ou se trouve cet accu. PArce que moi j'en ai aucune idée,
-
Gérard Riout 69
Re: accu de frein
Bonjour François,
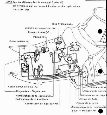
Tous les modèles ne sont pas équipés de l’accu frein, seulement les DS avec commande hydraulique au plancher. Pas dur les D super avec doseur de frein sur le pédalier. Sur les premiers modèles il y en avait deux.
L’accu frein est fixé à l’extrémité AVG de l’Unit Avant de caisse, un peu en arrière du pare-chocs.
Tous les modèles ne sont pas équipés de l’accu frein, seulement les DS avec commande hydraulique au plancher. Pas dur les D super avec doseur de frein sur le pédalier. Sur les premiers modèles il y en avait deux.
L’accu frein est fixé à l’extrémité AVG de l’Unit Avant de caisse, un peu en arrière du pare-chocs.
- Fichiers joints
-
- Circuit-freins.jpg (40.16 Kio) Vu 2215 fois