refection régulateur centrifuge
Modérateurs : DominiqueHok, DominiqueHok, DominiqueHok, DominiqueHok, DominiqueHok
refection régulateur centrifuge
bonjour à tous,
J'ai démonté mon regulateur centrifuge pour le nettoyer et voir comment c'est fait...
Petite question: avec quoi graisse t-on la partie "centrifuge". Est ce que de la graisse graphitée pourrait convenir, ou vaut il mieux mettre de la graisse standard (comme celle pour le train avant).
J'ai démonté mon regulateur centrifuge pour le nettoyer et voir comment c'est fait...
Petite question: avec quoi graisse t-on la partie "centrifuge". Est ce que de la graisse graphitée pourrait convenir, ou vaut il mieux mettre de la graisse standard (comme celle pour le train avant).
- Fichiers joints
-
- regul.jpg (38.29 Kio) Vu 3772 fois
Re: refection régulateur centrifuge
Bonjour Eric. La graisse graphitée est plutôt destinée à des assemblages ayant à subir des températures élevées. J'utiliserai une graisse "filante" qui va bien adhérer et ne sera pas projetée par la force centrifuge.
Re: refection régulateur centrifuge
oui température élevée et egalement humidité. Graisse filante? la graisse pour les transmissions c'est pas bon alors? et la graisse silicone t'en pense quoi? celle ci doit tenir je pense...
Re: refection régulateur centrifuge
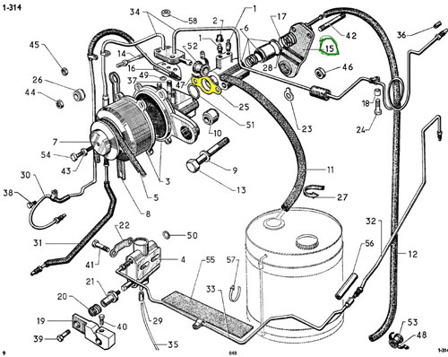
autre question, sur la planche de pièce de rechange, une chose m'intrigue:
Lors du démontage je n'ai pas trouvé de joint (25) a ce niveau. Mais une trace noire sur la pièce 15 (surement le joint). D'autant plus qu'il y a déjà un joint torique (51) alors n'y a t'il pas erreur?
De toute façon il y a déjà erreur sur la pièce 15 car il manque le trou où arrive l'huile!
En qu'elle matière est fait ce joint 25? papier? carton? en tout cas il est partie en morceau lors du nettoyage à la brosse...
Avez vous un autre éclaté?
Lors du démontage je n'ai pas trouvé de joint (25) a ce niveau. Mais une trace noire sur la pièce 15 (surement le joint). D'autant plus qu'il y a déjà un joint torique (51) alors n'y a t'il pas erreur?
De toute façon il y a déjà erreur sur la pièce 15 car il manque le trou où arrive l'huile!
En qu'elle matière est fait ce joint 25? papier? carton? en tout cas il est partie en morceau lors du nettoyage à la brosse...
Avez vous un autre éclaté?
- Fichiers joints
-
- regulateur.jpg (55.66 Kio) Vu 3772 fois
Re: refection régulateur centrifuge
Sur le catalogue des "anciennes" il n'y a pas de joint papier il n'y a que le joint torique, et sa matière peu importe il n'est ni rouge ni vert.
Re: refection régulateur centrifuge
pourquoi ni rouge ni vert? y'a bien du LHM qui passe non? il y a pourtant les vis de purges au dessus!
Y a t-il un joint sur la piece 15?
Peux tu mettre l'image de ton eclaté?
Y a t-il un joint sur la piece 15?
Peux tu mettre l'image de ton eclaté?
Re: refection régulateur centrifuge
Ben non...
Contrairement au joint n°5 qui lui est vert ou rouge.
J'ai un éclaté sur catalogue ancien donc difficilement numérisable il est usé mon catalogue...
page 97 sur catalogue 56-64.
Gérard a sûrement un document en meilleur état
Contrairement au joint n°5 qui lui est vert ou rouge.
J'ai un éclaté sur catalogue ancien donc difficilement numérisable il est usé mon catalogue...
page 97 sur catalogue 56-64.
Gérard a sûrement un document en meilleur état
- Fichiers joints
-
- p97 1964.jpg (72.83 Kio) Vu 3772 fois
-
- régul centrifuge lég.jpg (30.52 Kio) Vu 3772 fois
-
- régul centrifuge.jpg (57.74 Kio) Vu 3772 fois
Re: refection régulateur centrifuge
effectivement tes schémas sont différents. car j'ai des scans de 66 à 73 et c'est à chaque fois la même photo. Sur les tiennes il n'y a aucun joint sauf le 4 et le 5 qui lui est interne.
Sur les pdf de remise en état, c'est la même vue en coupe que la tienne...
Allez Gérard, la balle est dans ton camps, donne nous le fin mot de l'histoire...
Sur les pdf de remise en état, c'est la même vue en coupe que la tienne...
Allez Gérard, la balle est dans ton camps, donne nous le fin mot de l'histoire...
Re: refection régulateur centrifuge
Pour la graisse je met sde la graisse de chaine de moto elle pègue bien et n'est pas giglée partout dès que ça tourne, et elle résiste à une ambiance de 80°C
Re: refection régulateur centrifuge
Bonjour,
Désolé, je n’ai pas de document plus précis à fournir, le joint (25) est un joint papier.
Désolé, je n’ai pas de document plus précis à fournir, le joint (25) est un joint papier.