De quelle couleur la jupe avant ?
Modérateurs : DominiqueHok, DominiqueHok, DominiqueHok, DominiqueHok, DominiqueHok
-
micHel91
De quelle couleur la jupe avant ?
Salut
Sur une DS 57, donc avec les décors alu sur la jupe avant, de quelle couleur était la jupe avant ?
Othello l'a peinte couleur caisse sur la sienne, mais sur les photos d'époque, il me semble qu'elle était noire, quelle que soit la couleur de la caisse.
Elle serait devenue couleur caisse lors de la disparition des coques en alu.
Qu'en pensez-vous, je suis en train de la repeindre et je ne veux pas me tromper.
Comme à qui veut gagner des , ne répondent que ceux qui savent...
Merci
micHel
Sur une DS 57, donc avec les décors alu sur la jupe avant, de quelle couleur était la jupe avant ?
Othello l'a peinte couleur caisse sur la sienne, mais sur les photos d'époque, il me semble qu'elle était noire, quelle que soit la couleur de la caisse.
Elle serait devenue couleur caisse lors de la disparition des coques en alu.
Qu'en pensez-vous, je suis en train de la repeindre et je ne veux pas me tromper.
Comme à qui veut gagner des , ne répondent que ceux qui savent...
Merci
micHel
-
micHel91
Re: De quelle couleur la jupe avant ?
D'ailleurs sur le site Othello, dans le chapitre "mécanique", quand il la met sur le pont au début, on voit que la jupe est NOIRE, et pas du tout couleur caisse.
Alors ?
Alors ?
-
Pierre
Re: De quelle couleur la jupe avant ?
Sur le catalogue 9/55, elle semble effectivement plutôt noire.
-
Jean-Yves (57)
Re: De quelle couleur la jupe avant ?
D'après Othello, sur son site, le fait qu'elle soit noire l'a décidé à tout demonter pour repeindre le châssis en gris rosé (peint en noir aux USA lors d'une petite restauration). Si j'ai tout bien suivi.
-
Gérard Riout 69
Re: De quelle couleur la jupe avant ?
Bonjour,
En 1959, c’est certain l’habillage avant est peint couleur caisse.
Avant, je pense que non, sur la photo ci-dessous (1955) ?
En 1959, c’est certain l’habillage avant est peint couleur caisse.
Avant, je pense que non, sur la photo ci-dessous (1955) ?
- Fichiers joints
-
- DS-1955-AV.jpg (39.63 Kio) Vu 4243 fois
-
micHel91
Re: De quelle couleur la jupe avant ?
Mais oui, merci Gérard, c'est flagrant.
On voit bien entre le pare-choc et la coque alu que la remontée de tôle, donc la jupe n'est pas couleur caisse mais noire.
Pour Othello qui passe souvent sur ce forum :
Désolé , il faut repeindre ta jupe AV .
On voit bien entre le pare-choc et la coque alu que la remontée de tôle, donc la jupe n'est pas couleur caisse mais noire.
Pour Othello qui passe souvent sur ce forum :
Désolé , il faut repeindre ta jupe AV .
-
Pierre
Re: De quelle couleur la jupe avant ?
Attention aux photos de catalogue et du salon, ce sont des protos pas forcément définitifs.
Sur la couverture du Match 9/55 (que vous avez tous), la couleur est beaucoup moins nette, mais ne semble pas noire.
Sur la couverture du Match 9/55 (que vous avez tous), la couleur est beaucoup moins nette, mais ne semble pas noire.
-
Jean-Yves (57)
Re: De quelle couleur la jupe avant ?
On parle de la jupe de Gina Lolobrigida ? Sur la couverture de ce fameux numéro la jupe est ton caisse (si je peux me permettre !)
-
Gérard Riout 69
Re: De quelle couleur la jupe avant ?
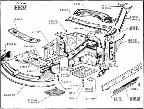
La jupe en question se nomme tôle d’habillage avant, la référence est : D 853-1a.
Le recouvrement alu, se nomme recouvrement de tôle d’habillage avant, la référence est : DS 853-90.
Le recouvrement alu, se nomme recouvrement de tôle d’habillage avant, la référence est : DS 853-90.
- Fichiers joints
-
- Caisse-partieAV.jpg (59.41 Kio) Vu 4243 fois
-
Pierre
Re: De quelle couleur la jupe avant ?
D853-1a, ça veut dire qu'il y a eu une D853-1 avant (à mon avis).