grincement pénible à l'avant droit
Modérateurs : DominiqueHok, DominiqueHok, DominiqueHok, DominiqueHok, DominiqueHok
-
bertrand.L
grincement pénible à l'avant droit
bonjour et sincères félicitations pour ce site salvateur.
voila,je roule avec une D spéciale de 68 modèle 69(passée récemment en DS 21) en tres bon état,mais je suis dans l'impossibilité de
cerner un couinnement aigu qui sévit coté droit qui agit en même temps que la suspension(soit en roulant soit en appuyant sur l'aile droite)mais également à l'arret en manoeuvrant légèrement le volant de gauche à droite .les cornes,le pivot ont été changés.
Cela peut-il provenir des coussinets de la barre anti-roulis?merci pour vos conseils!
voila,je roule avec une D spéciale de 68 modèle 69(passée récemment en DS 21) en tres bon état,mais je suis dans l'impossibilité de
cerner un couinnement aigu qui sévit coté droit qui agit en même temps que la suspension(soit en roulant soit en appuyant sur l'aile droite)mais également à l'arret en manoeuvrant légèrement le volant de gauche à droite .les cornes,le pivot ont été changés.
Cela peut-il provenir des coussinets de la barre anti-roulis?merci pour vos conseils!
-
Joël
Re: grincement pénible à l'avant droit
D'après ta description il m'est arrivé exactement la même chose. Il s'agit je pense des rotules de la bielette de la barre stabilisatrice qui sont trop serrées.
Cette petite biellette (1 par côté, environ 10cm de long) comporte à chaque bout une rotule dont la cage est réglable. Elle s'intercale entre la suspension et la barre stabilisatrice.
J'avais au départ un claquement indiquant trop de jeu. Après démontage pour vérification, mes rotules étaient du genre boule carrée car plus graissée depuis longtemps. N'en ayant pas d'autre sous la main j'ai seulement resserré la cage. J'y suis allé trop fort et celà faisait exactement le bruit que tu décris. En plus ça fait résonnance dans le chassis et du coup on ne sait plus bien d'où ça vient. Après déserrage tout est rentré dans l'ordre... et j'ai retrouvé mes claquements !
SOS au passage, si quelqu'un à des rotules neuves ?
Autre piste, il s'agit du palier de la barre stabilisatrice qui est trop serré (1 par côté).
Cette petite biellette (1 par côté, environ 10cm de long) comporte à chaque bout une rotule dont la cage est réglable. Elle s'intercale entre la suspension et la barre stabilisatrice.
J'avais au départ un claquement indiquant trop de jeu. Après démontage pour vérification, mes rotules étaient du genre boule carrée car plus graissée depuis longtemps. N'en ayant pas d'autre sous la main j'ai seulement resserré la cage. J'y suis allé trop fort et celà faisait exactement le bruit que tu décris. En plus ça fait résonnance dans le chassis et du coup on ne sait plus bien d'où ça vient. Après déserrage tout est rentré dans l'ordre... et j'ai retrouvé mes claquements !
SOS au passage, si quelqu'un à des rotules neuves ?
Autre piste, il s'agit du palier de la barre stabilisatrice qui est trop serré (1 par côté).
-
bertrand.L
Re: grincement pénible à l'avant droit
joël,merci,j'ai hâte de vérifier ça le week-end prochain .(si jai bien compris ,il s'agirait du serrage des rotules de la biellette réglable qui relie le cylindre de suspension à la barre anti roulis ou du palier renfermant le coussinet de la barre anti roulis).quoique qu'il en soit,c'est avec un grand plaisir que je te payerai une "mousse" pour fêter ça et causer belle mécanique.Joël a écrit :D'après ta description il m'est arrivé exactement la même chose. Il s'agit je pense des rotules de la bielette de la barre stabilisatrice qui sont trop serrées.
Cette petite biellette (1 par côté, environ 10cm de long) comporte à chaque bout une rotule dont la cage est réglable. Elle s'intercale entre la suspension et la barre stabilisatrice.
J'avais au départ un claquement indiquant trop de jeu. Après démontage pour vérification, mes rotules étaient du genre boule carrée car plus graissée depuis longtemps. N'en ayant pas d'autre sous la main j'ai seulement resserré la cage. J'y suis allé trop fort et celà faisait exactement le bruit que tu décris. En plus ça fait résonnance dans le chassis et du coup on ne sait plus bien d'où ça vient. Après déserrage tout est rentré dans l'ordre... et j'ai retrouvé mes claquements !
SOS au passage, si quelqu'un à des rotules neuves ?
Autre piste, il s'agit du palier de la barre stabilisatrice qui est trop serré (1 par côté).
merci encore
[email protected]
PS je n'ai hélas pas de rotules neuves
-
Joël
Re: grincement pénible à l'avant droit
Attention il ne s'agit pas de la biellette proprement dit qui est réglable en longueur (-> réglage hauteur de caisse) mais de la rotule en bout de bielette, dont la cage se visse ou se devisse avec un écrou crénelé, et qui se bloque par pas de 1/8° de tour avec une goupille.bertrand.L a écrit :joël,merci,j'ai hâte de vérifier ça le week-end prochain .(si jai bien compris ,il s'agirait du serrage des rotules de la biellette réglable qui relie le cylindre de suspension à la barre anti roulis ou du palier renfermant le coussinet de la barre anti roulis).quoique qu'il en soit,c'est avec un grand plaisir que je te payerai une "mousse" pour fêter ça et causer belle mécanique.
merci encore
[email protected]
PS je n'ai hélas pas de rotules neuves
Il y a - au passage - un ressort dans la cage qui est en général assez fatigué.
-
bertrand.L
Re: grincement pénible à l'avant droit
merci encore pour ces précisions.Joël a écrit :Attention il ne s'agit pas de la biellette proprement dit qui est réglable en longueur (-> réglage hauteur de caisse) mais de la rotule en bout de bielette, dont la cage se visse ou se devisse avec un écrou crénelé, et qui se bloque par pas de 1/8° de tour avec une goupille.
Il y a - au passage - un ressort dans la cage qui est en général assez fatigué.
-
Bruno
Re: grincement pénible à l'avant droit
Bonjour,
J'ai eu un probleme semblable a celui de Bertrand l'ete dernier en rentrant de l'EuroCitro sur ma DS de 60. Le grincement venait en fait de la rotule superieure d'un pivot de roue insuffisamment graissee.
Par rapport au message de Joel qui indique qu'il est a la recherche de rotules de barre stabilisatrice. Si mes souvenirs sont exacts, ces pieces ne sont pas demontables. Il faut changer la barre stabilisatrice (pour la rotule inferieure) ou la liaison avec le bras superieur (pour la rotule superieure). Par contre, il est souvent possible de supprimer le jeu dans cette articluation en montant un ressort neuf (sauf si la rotule est vraiment deformee).
J'ai eu un probleme semblable a celui de Bertrand l'ete dernier en rentrant de l'EuroCitro sur ma DS de 60. Le grincement venait en fait de la rotule superieure d'un pivot de roue insuffisamment graissee.
Par rapport au message de Joel qui indique qu'il est a la recherche de rotules de barre stabilisatrice. Si mes souvenirs sont exacts, ces pieces ne sont pas demontables. Il faut changer la barre stabilisatrice (pour la rotule inferieure) ou la liaison avec le bras superieur (pour la rotule superieure). Par contre, il est souvent possible de supprimer le jeu dans cette articluation en montant un ressort neuf (sauf si la rotule est vraiment deformee).
-
Eric Compernolle (29)
Re: grincement pénible à l'avant droit
Je fais rejaillir un ancien sujet, comme quoi le moteur de recherche est efficace...
J'ai également ce pb sur mon break.
grincement quand j'appuie et relache l'aile avant droite, et si je fais bouger mon volant sur une faible amplitude lorsque les roues sont droites.
Je ne vois pas bien ce que designe le terme de barre stabilisatrice (a part les bras inférieur (3) et supérieur (7)). Pour les rotules de pivot (13 et 14), ok. Leur démontage pour graissage comporte t-il des points clé important? réglage?.
Afin de ne pas tout démonter quelqu'un peut il me dire ou le problème a le plus de chance de se trouver?
Je précise que les graissage des trains avant sont fait régulièrement et que je compte mettre un graisseur à la place de la vis bouchon (18).
J'ai également ce pb sur mon break.
grincement quand j'appuie et relache l'aile avant droite, et si je fais bouger mon volant sur une faible amplitude lorsque les roues sont droites.
Je ne vois pas bien ce que designe le terme de barre stabilisatrice (a part les bras inférieur (3) et supérieur (7)). Pour les rotules de pivot (13 et 14), ok. Leur démontage pour graissage comporte t-il des points clé important? réglage?.
Afin de ne pas tout démonter quelqu'un peut il me dire ou le problème a le plus de chance de se trouver?
Je précise que les graissage des trains avant sont fait régulièrement et que je compte mettre un graisseur à la place de la vis bouchon (18).
- Fichiers joints
-
- demi essieu.JPG (111.45 Kio) Vu 4439 fois
-
- relais direction.JPG (95.41 Kio) Vu 4439 fois
-
Philou76
Re: grincement pénible à l'avant droit
Bonjour Eric,
Ce qu'on appelle "barre stabilisatrice", c'est la barre anti-roulis ou encore barre anti-devers, en principe.
Ce qu'on appelle "barre stabilisatrice", c'est la barre anti-roulis ou encore barre anti-devers, en principe.
-
Eric Compernolle (29)
Re: grincement pénible à l'avant droit
Pour l'arrière je sais ou elle se situe mais ou est elle à l'avant?
-
Jérôme BÉCÉ
Re: grincement pénible à l'avant droit
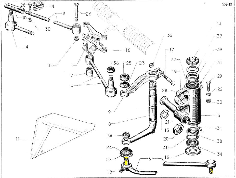
Bonjour Eric,
Voici une planche de DS19, pour ton break, mise à part quelques petits détails, c'est la même.
Le bruit peut aussi venir de là où j'ai placé l'étoile...
Voici une planche de DS19, pour ton break, mise à part quelques petits détails, c'est la même.
Le bruit peut aussi venir de là où j'ai placé l'étoile...
- Fichiers joints
-
- Anti-roulis AV .jpg (66.42 Kio) Vu 4439 fois