Démareur

Electricité, Allumage, Carburation, Injection

Modérateurs : DominiqueHok, DominiqueHok, DominiqueHok, DominiqueHok, DominiqueHok

Répondre
Arnaud

Démareur

Message par Arnaud »

Bonjour,
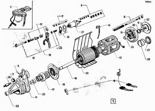
Je recherche une vue éclatée de démareur pour ma DS 23 de 73. C'est un DUCELIER 6200 A .

Merci @+
Gérard Riout

Re: Démareur

Message par Gérard Riout »

Bonjour Arnaud,

Ci-joint vue catalogue PR
Fichiers joints
Ducellier 6200 A.jpg
Ducellier 6200 A.jpg (25.96 Kio) Vu 2304 fois
Répondre