durite conjoncteur-disjoncteur
Modérateurs : DominiqueHok, DominiqueHok, DominiqueHok, DominiqueHok, DominiqueHok
durite conjoncteur-disjoncteur
Bonjour à tous,
Sans doute que le sujet a dû être déjà abordé mais j'aimerais savoir, avant de plonger dans les entrailles de ma D super 5 1974, quel type de durite de retour de conjoncteur-disjoncteur dois-je monter sur mon modèle? Il semble que ce soit une courte mais j'ai entendu dire qu'il y en a pour conjoncteur-disjoncteur alu ou métal, donc des modèles différents. Qu'en est-il? Suis-je dans le vrai?
Merci de votre aide et bonne route...
Olivier
Sans doute que le sujet a dû être déjà abordé mais j'aimerais savoir, avant de plonger dans les entrailles de ma D super 5 1974, quel type de durite de retour de conjoncteur-disjoncteur dois-je monter sur mon modèle? Il semble que ce soit une courte mais j'ai entendu dire qu'il y en a pour conjoncteur-disjoncteur alu ou métal, donc des modèles différents. Qu'en est-il? Suis-je dans le vrai?
Merci de votre aide et bonne route...
Olivier
Re: durite conjoncteur-disjoncteur
personellement quand j'ai commandé la mienne chez retromachin, pour ma Dsuper de 75 j'ai eu le bon modèle. Sinon prends le plus long et tu pourras toujours le couper!
Re: durite conjoncteur-disjoncteur
salut olivier,je ne crois pas qu'il y'a deux type de longueur de tuyeau de retour car en alu ou en metal le conjoncteur-disjoncteur est positionner au meme en droit,mais bon dans le doute il est vrais qu'il vaut mieux se renseigner @+ dominique28.
Re: durite conjoncteur-disjoncteur
Ok. Mais comment reconnaître un conjoncteur-disjoncteur alu ou métal? Avec un aimant????...
A+
A+
Re: durite conjoncteur-disjoncteur
eh non mauvaise réponse olivier!!!!!
voilà il te faut chercher un peu!! désolé
la preuve en image:
deux photos de stéphane V (ancien modèle)et julien D (nouveau modèle).
le sujet se trouve sur le forum divers, ma dsuper 74.
voilà il te faut chercher un peu!! désolé
la preuve en image:
deux photos de stéphane V (ancien modèle)et julien D (nouveau modèle).
le sujet se trouve sur le forum divers, ma dsuper 74.
Re: durite conjoncteur-disjoncteur
Bonjour à tous
sur la mienne le conjoncteur est placé en avant de la boite sous le radiateur a l'horizontal pratiquement sous le bocal donc logiquement durite courte non?Sur une super 5 je pense que c'est une durite longue.
sur la mienne le conjoncteur est placé en avant de la boite sous le radiateur a l'horizontal pratiquement sous le bocal donc logiquement durite courte non?Sur une super 5 je pense que c'est une durite longue.
Re: durite conjoncteur-disjoncteur
Bonjour,
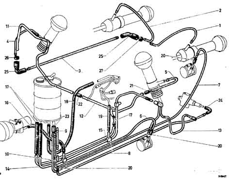
Le conjoncteur-disjoncteur à tiroir-pilote, corps en fonte, date de sortie Avril 1969 est bien celui qui équipe ta D Super de 1974.
Deux emplacements possibles pour la fixation: sur le carter moteur et sur le carter BV.
Fixation sur le carter moteur:
Tube retour (16) coudé, une seule longueur, 725 mm.
Fixation sur le carter BV.
Tube retour (16) quatre longueurs possibles en fonction du type de BV et de la motorisation:
L 860 mm BVH.
L 285 mm BVM.
L 365 mm BV BorgWargner.
L 466 mm Injection.
Le conjoncteur-disjoncteur à tiroir-pilote, corps en fonte, date de sortie Avril 1969 est bien celui qui équipe ta D Super de 1974.
Deux emplacements possibles pour la fixation: sur le carter moteur et sur le carter BV.
Fixation sur le carter moteur:
Tube retour (16) coudé, une seule longueur, 725 mm.
Fixation sur le carter BV.
Tube retour (16) quatre longueurs possibles en fonction du type de BV et de la motorisation:
L 860 mm BVH.
L 285 mm BVM.
L 365 mm BV BorgWargner.
L 466 mm Injection.
- Fichiers joints
-
- Retour2-disjoncteur.jpg (50.05 Kio) Vu 13372 fois
-
- Retour1-disjoncteur.jpg (51.21 Kio) Vu 13372 fois
Re: durite conjoncteur-disjoncteur
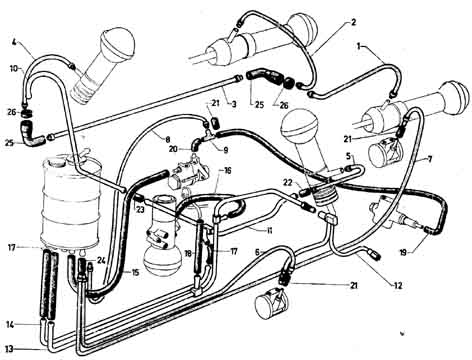
Ca y est, j'y vois beaucoup plus clair...que dans mon moteur!!...Mon conjoncteur est fixé sur le carter moteur à gauche. Cependant, après renseignements pris auprès d'un spécialiste Ds qui officie porte de Montreuil près de Paris (pour ne pas le nommer), celui-ci m'a demandé en quelle matière était le T de raccord sur lequel venait se relier le tube 16 (voir schéma): plastique ou métal? Auquel cas, il y a deux diamètres différents. Le saviez-vous? et qu'en pensez-vous? A moins que je n'aie mal compris....
Merci et A+
Merci et A+
Re: durite conjoncteur-disjoncteur
Pour t’aider, je suis en mesure de te donner la référence PR Citroën du tube caoutchouc (16).
5 417 662 F diamètre intérieur 7 - 9, longueur 725 mm, coudé.
En ce qui concerne le tube (13), dénomination rampe, que je soupçonne d’être métallique, deux références possibles selon avec ou sans direction assistée. Aucune indication de diamètre sur la planche du catalogue PR.
5 417 662 F diamètre intérieur 7 - 9, longueur 725 mm, coudé.
En ce qui concerne le tube (13), dénomination rampe, que je soupçonne d’être métallique, deux références possibles selon avec ou sans direction assistée. Aucune indication de diamètre sur la planche du catalogue PR.
Re: durite conjoncteur-disjoncteur
Je confirme, il se branche sur le tube (13) qui est métallique.
Sur les modèles plus anciens l'ensemble des retours sont en caoutchouc, la jonction se faisant sur un raccord plastique vissé sur l'unit avant, à peu près au niveau de la direction.
Stéphane.
Sur les modèles plus anciens l'ensemble des retours sont en caoutchouc, la jonction se faisant sur un raccord plastique vissé sur l'unit avant, à peu près au niveau de la direction.
Stéphane.