Changement de pompe hydraulique

Tout ce qui a rapport à l'hydraulique et à la suspension hydro-pneumatique

Modérateurs : DominiqueHok, DominiqueHok, DominiqueHok, DominiqueHok, DominiqueHok

JP39
Messages : 52
Enregistré le : dim. 27 janv. 2019 16:24
Pays : France
Numéro de membre :

Changement de pompe hydraulique

Message par JP39 »

Bonsoir,

Après mes affaires d'allumage, me voilà sur la chasse aux fuites.
Grosse flaque sous la DS....
J'ai un doute de la provenance pour l'instant, mais maintenant qu'elle démarre, je vais la monter et aller voir de plus près.
Je vous fais une photo du LHM sur le chassis et vers la pompe.
Vous me donnerez votre avis, mais les courroies sont imbibées et ça siffle moteur tournant.....roulement, courroies...

En tout cas ma pompe fuyait depuis un moment, alors, .....

Si il existe un tuto ou des conseils pour changer Pompe, et toutes les courroies.....J'ai cru comprendre que l'on passait toutes les courroies par le ventilateur ?
Est-on obligé de l'enlever.
Le réglage de l'embrayage sera à faire car on doit décrocher la commande, je suppose....

Voilà, pas mal de questions pour un néophyte de la DS, qui apprend et qui aime faire seul pour la mécanique et comprendre dans quoi il roule !

Merci pour vos retours.
Jean-Pierre
Avatar du membre
Eric_cpn
Messages : 1081
Enregistré le : sam. 3 nov. 2012 18:48
Pays :
Numéro de membre :
Localisation : Orléans (45)

Re: Changement de pompe hydraulique

Message par Eric_cpn »

Bonsoir,

On attend les photos, mais dans l'idée voici comment on dépose Pompe HP et courroies:

- Débrancher le tuyau allant au filtre LHM
- débrancher le raccord de sortie de pompe HP
- déposer l'écrou du tirant de maintien de la pompe HP
- desserrer sa fixation en bas, permettant de la pousser vers la pompe à eau, détendant les courroies.
- desserrer l'écrou de réglage de l'embrayage, afin de pouvoir dégager la tige de poussée, obligatoire pour sortir les courroies.
- déposer uniquement l'helice de la pompe à eau (4 vis tete de 10) facilitant le passage des courroies.
- déposer l'axe de fixation de la pompe HP (attention, il peut y avoir une rondelle de réglage), pour la déposer.
Attention la pompe est rempli de LHM, vider le surplus dans le bocal LHM ;)
Eric- DS23 IE 1973 AM73- ID19F 1965 AM66 - ID19P AM59
JP39
Messages : 52
Enregistré le : dim. 27 janv. 2019 16:24
Pays : France
Numéro de membre :

Re: Changement de pompe hydraulique

Message par JP39 »

Super , merci, oui, pas de soucis particulier pour cette opération. Demain je vais faire les photos des fuites pour avoir votre avis, car cela me parait quand même beaucoup pour venir seulement de la pompe.

Ou puis-je acheter la pompe de remplacement....ou la faire réparer.
J'achète régulièrement chez CitroenDS.net.
Ils proposent une pompe en revoyant l'ancienne....
QU'en pensez-vous ?
Merci,
Jean-Pierre
JP39
Messages : 52
Enregistré le : dim. 27 janv. 2019 16:24
Pays : France
Numéro de membre :

Re: Changement de pompe hydraulique

Message par JP39 »

Voilà les photos...
Qu'en pensez-vous.....en fonction de la "flaque" de LHM.....sur le chassis !
Cela peut-il venir de la fuite sur la pompe HP , d'après votre expérience, sinon, quelles pistes ....
IMG_20240110_154358984_HDR.jpg
IMG_20240110_154358984_HDR.jpg (2.35 Mio) Vu 8663 fois
IMG_20240110_154406519.jpg
IMG_20240110_154406519.jpg (1.71 Mio) Vu 8663 fois
IMG_20240110_154411446.jpg
IMG_20240110_154411446.jpg (1.64 Mio) Vu 8663 fois
IMG_20240110_154430829_HDR.jpg
IMG_20240110_154430829_HDR.jpg (2.17 Mio) Vu 8663 fois
IMG_20240110_154438511_HDR.jpg
IMG_20240110_154438511_HDR.jpg (2.12 Mio) Vu 8663 fois
IMG_20240110_161656133.jpg
IMG_20240110_161656133.jpg (3.86 Mio) Vu 8663 fois
JP39
Messages : 52
Enregistré le : dim. 27 janv. 2019 16:24
Pays : France
Numéro de membre :

Re: Changement de pompe hydraulique

Message par JP39 »

C e qui est sur c'est que les courroies sont complètements imbibées....et qu'il y a un sifflement au démarrage,....courroies, roulement de pompe ?
Merci,
JP
Avatar du membre
Ganesh
Messages : 197
Enregistré le : dim. 20 janv. 2013 20:55
Pays : france
Numéro de membre :
Localisation : Isère 38

Re: Changement de pompe hydraulique

Message par Ganesh »

Quand elles sont trop tendues aussi.
Sly,
DS 21IE Hydro Pallas avril 1971 AC318
Avatar du membre
Eric_cpn
Messages : 1081
Enregistré le : sam. 3 nov. 2012 18:48
Pays :
Numéro de membre :
Localisation : Orléans (45)

Re: Changement de pompe hydraulique

Message par Eric_cpn »

Souvent la pompe HP fuit par l'axe et ça coule sur une ailette de la cloche d'embrayage, tombe sur la partie que tu as photographié.

Mais là pour avoir les courroies imbibées comme ça, as tu contrôlé que ton raccord HP est bien serré?
car là ça semble gicler sacrément.

C'est bien du LMH et non du liquide de refroidissement au fait?
ça pourrait être la pompe à eau en cause dans ce cas.

Pour l'échange standard de la pompe HP, je n'ai pas d'avis négatif avec le site que tu mentionnes.
Tu peux parfois en trouver d'occasion mais c'est la roulette russe :mrgreen:
Eric- DS23 IE 1973 AM73- ID19F 1965 AM66 - ID19P AM59
JP39
Messages : 52
Enregistré le : dim. 27 janv. 2019 16:24
Pays : France
Numéro de membre :

Re: Changement de pompe hydraulique

Message par JP39 »

Merci Eric pour ton avis.

J'ai nettoyé et mis un chiffon sous la pompe et on dirait que ça n’atteint plus le bas du châssis....je confirmerai demain, mais cela semble aller dans ton sens...
La pompe fuit depuis longtemps......et j'avais déjà resserré, vérifié le raccord HP. Je crois bien que la pompe fuit pas l'axe comme tu dis.
J'ai des joints hydrauliques. je peux essayer de changer le joint ! Qu'en penses-tu ?
Et puis il y a ce sifflement, je me demande si ce n'est pas l'axe de la pompe justement, il y a un roulement j'imagine !
Je suis on pour une pompe pour être tranquille..
Je fais le point en fin de semaine après nettoyage et quelques minutes en marche.....maintenant qu'elle démarre du tonnerre !!! même par grand froid au fond du garage avec une batterie fatiguée !
JP39
Messages : 52
Enregistré le : dim. 27 janv. 2019 16:24
Pays : France
Numéro de membre :

Re: Changement de pompe hydraulique

Message par JP39 »

Liquide de refroidissement...... je ne pense pas....c'est gras comme du LHM et cette elle couleur verte !
Tu me mets quand même le doute. Je vérifierai le niveau au radiateur !
Merci pour les pistes.
C'est interessant.
Et puis je vais opter pour du neuf ou reconditionné pour repartir tranquille pour 10 ans !
JP
Avatar du membre
Eric_cpn
Messages : 1081
Enregistré le : sam. 3 nov. 2012 18:48
Pays :
Numéro de membre :
Localisation : Orléans (45)

Re: Changement de pompe hydraulique

Message par Eric_cpn »

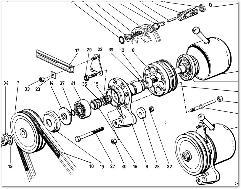
Pour te répondre, oui il y a un roulement,
2024-01-11 21_04_19-648-1+2.pdf - Adobe Acrobat Reader (64-bit).jpg
2024-01-11 21_04_19-648-1+2.pdf - Adobe Acrobat Reader (64-bit).jpg (103.29 Kio) Vu 8619 fois
Eric- DS23 IE 1973 AM73- ID19F 1965 AM66 - ID19P AM59
Répondre