Profitant de la restauration ,j'ai monté 2 phares de recul mais j'ai l'impression que le montage d'origine et le branchement sont absents!
Ce montage n'etait-il pas installé d'origine sur ce véhicule de mai 71?
Merci d'avance pour vos réponses
feux de recul sur ds 21ie pallas 1971
Modérateurs : DominiqueHok, DominiqueHok, DominiqueHok, DominiqueHok, DominiqueHok
-
Gérard Riout
Re: feux de recul sur ds 21ie pallas 1971
Bonjour,
Modification du circuit électrique pour le montage des feux de recul à partir des modèles 1972 soit Juillet 1971.
Voir page 3 du fichier NT 196 D.pdf.
Modification du circuit électrique pour le montage des feux de recul à partir des modèles 1972 soit Juillet 1971.
Voir page 3 du fichier NT 196 D.pdf.
-
retraité du 72
Re: feux de recul sur ds 21ie pallas 1971
Merci pour ta réponse.
Alors y a t-il moyen d'adapter un contacteur pour utiliser les feux mis en place?
Alors y a t-il moyen d'adapter un contacteur pour utiliser les feux mis en place?
-
Gérard Riout
Re: feux de recul sur ds 21ie pallas 1971
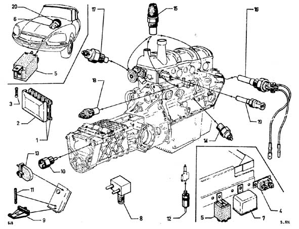
Oui bien sur, monter le contacteur d’origine (10) soit sur le carter de 5ème, soit sur le cache des axes de fourchettes sur la face AV de BV4. Faire les raccordements électriques, nécessaires.
- Fichiers joints
-
- Relais-fusibles-mano-contact.jpg (77.37 Kio) Vu 3657 fois
-
Vaguet
Re: feux de recul sur ds 21ie pallas 1971
J'ai un feu de recul et une DS 21 ie pallas de mars 1970. Y a t'il incompatibilité ?
Sinon, quelqu'un a déjà ouvert une boîte hydro pour changer le contacteur de MA (cinquième je crois)?
C'est compliqué ? (pour niveau maternelle ou sup ?)
Merci
Francis 27
Sinon, quelqu'un a déjà ouvert une boîte hydro pour changer le contacteur de MA (cinquième je crois)?
C'est compliqué ? (pour niveau maternelle ou sup ?)
Merci
Francis 27
-
François Trébillon
Re: feux de recul sur ds 21ie pallas 1971
Bonjour, je ne comprends pas bien ta question... Contact de marche arrière vissé à l'extérieur de la boite, à l'avant donc, pas besoin d'ouvrir quoique ce soit!
-
Vaguet
Re: feux de recul sur ds 21ie pallas 1971
Ah bon alors c'est plutôt du genre CE1 comme niveau, non ? Je croyais qu'il fallait ouvrir la boîte... Reste à trouver le contact de marche arrière et l'endroit où il faut le visser ... Limpide !
Je suppose qu'ensuite, il faut tirer un fil du contacteur jusqu'à la malle arrière, visser sur le chrome du parechoc, trouver une masse (c'est marrant j'ai deux trous aux bons endroits sur le parechoc, c'était prévu depuis longtemps alors ?)et le tour est joué.
Me dites pas qu'il y a des réglages à faire ! Ou que je n'ai rien compris !
Et au fait on peut en trouver partout des contacteurs comme ça ? Le pas de vis est de combien ? Et c'est où qu'on le visse à l'avant de la boîte ?
Merci à tous les profs de maternelle, je vais pouvoir rouler de nuit en MA.
Francis27
Je suppose qu'ensuite, il faut tirer un fil du contacteur jusqu'à la malle arrière, visser sur le chrome du parechoc, trouver une masse (c'est marrant j'ai deux trous aux bons endroits sur le parechoc, c'était prévu depuis longtemps alors ?)et le tour est joué.
Me dites pas qu'il y a des réglages à faire ! Ou que je n'ai rien compris !
Et au fait on peut en trouver partout des contacteurs comme ça ? Le pas de vis est de combien ? Et c'est où qu'on le visse à l'avant de la boîte ?
Merci à tous les profs de maternelle, je vais pouvoir rouler de nuit en MA.
Francis27