Page 2 sur 5
Re: intensité irréguliére phare et TDB DS 1971
Posté : mar. 10 févr. 2026 22:36
par Eric_cpn
Intéressant ton schéma !
Tu as une image en meilleure qualité de ton montage?

- 2026-02-10 22_30_48-20260210 - montage régulateur electronique.odt — LibreOffice Writer.jpg (32.27 Kio) Vu 5576 fois
Re: intensité irréguliére phare et TDB DS 1971
Posté : mer. 11 févr. 2026 22:05
par Claude-Michel
Eric_cpn a écrit : ↑mar. 10 févr. 2026 22:36
Tu as une image en meilleure qualité de ton montage?
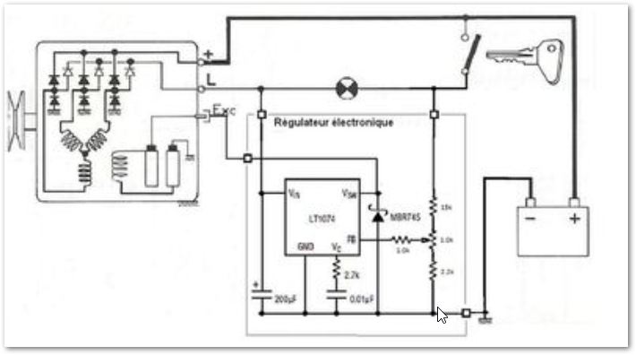
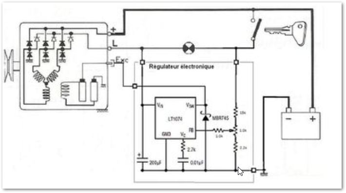
Oui:
![07_Regulateur_par_hachage[Konflikt].JPG](./download/file.php?id=10999&sid=8fb7ff1bccaaa8396eb58be1e1f57caa)
- 07_Regulateur_par_hachage[Konflikt].JPG (75.08 Kio) Vu 5539 fois
Mais attention, il faut fabriquer le pont avec 3 diodes pour faire la sortie L.
Re: intensité irréguliére phare et TDB DS 1971
Posté : jeu. 12 févr. 2026 09:07
par poitou
"""Mais attention, il faut fabriquer le pont avec 3 diodes pour faire la sortie L"""
Pourquoi donc ?
Les 3 phases redressées positives existant déjà....
Juste pour témoin de charge?
Re: intensité irréguliére phare et TDB DS 1971
Posté : jeu. 12 févr. 2026 10:46
par Claude-Michel
poitou a écrit : ↑jeu. 12 févr. 2026 09:07
Pourquoi donc ?
La tension en sortie des diodes de puissance est limitée par la tension de la batterie. Je pourrais m'imaginer que la sortie L a une tension légèrement supérieure.
Peut être qu'on peut s'en passer et brancher ce point directement à la sortie de puissance de l'alternateur.
En fait, je voulais préciser que la sortie qui existe d'origine, n'a qu'une diode et qu'avec celle-ci seule cela ne fonctionne pas. Il en faut 3.
Re: intensité irréguliére phare et TDB DS 1971
Posté : jeu. 19 févr. 2026 20:29
par tof62
bonsoir, j ai vérifier sur ma DS et quelle surprise, je n ai pas du tout le boitier que vous avez décrit sur le support de batterie donc comment faire. je n arrive pas a insérer d'image.c est un boitier paris rhone blanc avec 2 fils
Re: intensité irréguliére phare et TDB DS 1971
Posté : jeu. 19 févr. 2026 21:35
par Eric_cpn
Je ne vois pas ce que tu décris peut etre.
Surement un régulateur qui ne provient pas d'une DS.
Re: intensité irréguliére phare et TDB DS 1971
Posté : ven. 20 févr. 2026 07:42
par tof62
Re: intensité irréguliére phare et TDB DS 1971
Posté : ven. 20 févr. 2026 07:44
par tof62
Re: intensité irréguliére phare et TDB DS 1971
Posté : ven. 20 févr. 2026 19:29
par Claude-Michel
tof62 a écrit : ↑jeu. 19 févr. 2026 20:29
je n arrive pas a insérer d'image.
Quand tu réponds, en-bas il y a : fichiers joints, puis : ajouter des fichiers etc...
Parce que ce que tu as joint, je ne sais pas ce que c'est, je n'arrive pas à ouvrir.
Re: intensité irréguliére phare et TDB DS 1971
Posté : ven. 20 févr. 2026 20:09
par tof62

- 20260219_154001.jpg (393.14 Kio) Vu 5259 fois

- 20260219_154012.jpg (412.15 Kio) Vu 5259 fois

- 20260219_154026.jpg (1.02 Mio) Vu 5259 fois