passage a la direction assistée
Modérateurs : DominiqueHok, DominiqueHok, DominiqueHok, DominiqueHok, DominiqueHok
-
Eric Compernolle (29)
passage a la direction assistée
En option sur les ID depuis octobre 62, et possedant une id19f de 65 je desirerais mettre une direction assistée. Bien que cela se conduise bien, qu'il faille forcer un peu pour les manoeuvres, j'ai eu le malheur de prendre ma 23 ce matin et j'ai forcément senti une extrème différence!
Je voudrais donc savoir si cela etait une opération facile d'autant plus que cette auto est déjà passée au vert et comporte comme tout brek une pompe 7 pistons. Suffit-il simplement de trouver un faisceau hp et une direction assitée pour l'installer?
Je voudrais donc savoir si cela etait une opération facile d'autant plus que cette auto est déjà passée au vert et comporte comme tout brek une pompe 7 pistons. Suffit-il simplement de trouver un faisceau hp et une direction assitée pour l'installer?
-
Stephane Vandepeutte
Re: passage a la direction assistée
Il te faut également prévoir de changer :
- le volant
- les relais de direction
- les leviers d'accouplement entre barres de direction et axes des relais
- la pièces de jonction de différents retours hydrauliques, pour y raccorder le retour de la direction.
Stéphane.
-
Eric Compernolle (29)
Re: passage a la direction assistée
le volant pour D.A. assisté est plus petit en diametre, combien doit il faire? mon id est équipé du volant gainé noir.
Je ne pensais pas que les relais de direction et leviers d'accouplement etaient différents. Je pense que je vais la laisser comme cela et me muscler les bras pour les manoeuvres. La couleur de ma direction (non assitée) actuellement est noire est ce bon?
Je ne pensais pas que les relais de direction et leviers d'accouplement etaient différents. Je pense que je vais la laisser comme cela et me muscler les bras pour les manoeuvres. La couleur de ma direction (non assitée) actuellement est noire est ce bon?
-
Gérard Riout
Re: passage a la direction assistée
Bonjour,
Le volant pour direction assistée et effectivement plus petit en diamètre, mais il est différent au niveau de la jonction avec le pignon de crémaillère.
Eric, si tu souhaites passer au stade supérieur pour la « muscu », tu montes les relais et leviers pour DA et tu laisses la crémaillère non assistée!
Le volant pour direction assistée et effectivement plus petit en diamètre, mais il est différent au niveau de la jonction avec le pignon de crémaillère.
Eric, si tu souhaites passer au stade supérieur pour la « muscu », tu montes les relais et leviers pour DA et tu laisses la crémaillère non assistée!
-
Eric Compernolle (29)
Re: passage a la direction assistée
merci pour ces renseignements. Serait ce une pointe d'humour Gérard? je vais laisser tout tel quel. Quand tu dis passer au stade supérieur, en mettant les relais et levier de DS tu veux dire que cela facilite ou que cela est plus dur encore? Quelle est la différence entre relais/leviers pour DA et nonDA? J'avoue avoir remplacé ma DA sur ma 23IE et j'ai l'impression que c'est identique. (diametre et cannelure différentes c'est ça?)
-
Stephane Vandepeutte
Re: passage a la direction assistée
Les leviers pour DA sont plus courts, donc il faut plus de force pour braquer les roues, par contre la démultiplication (nombre de tours de volant) est moindre.
Avec une direction mécanique et des leviers de DA, ta direction sera plus directe mais encore plus dure !!
Coté assistance il faut savoir que le vérin est passé d'un diamètre de 21 à 19mm pour procurer une meilleure assistance, en 65 c'était du 21 mais du 19 donnerait un meilleur agrément.
Voilà, à toi de voir maintenant...
Stéphane.
-
Eric Compernolle (29)
Re: passage a la direction assistée
je reprends le sujet...
je vais demain démonter des pièces sur une ds de 65-66 et j'aurais besoin de précisions:
Pour le volant, cremaillère et circuit hydraulique, pas de soucis.
En revanche je ne localise pas bien les relais et levier et surtout ce qu'il faut vraiment récuperer et comment cela se démonte.
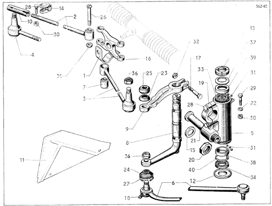
Ci joint une planche pour m'aider.
Merci d'avance.
je vais demain démonter des pièces sur une ds de 65-66 et j'aurais besoin de précisions:
Pour le volant, cremaillère et circuit hydraulique, pas de soucis.
En revanche je ne localise pas bien les relais et levier et surtout ce qu'il faut vraiment récuperer et comment cela se démonte.
Ci joint une planche pour m'aider.
Merci d'avance.
- Fichiers joints
-
- relais.jpg (105.19 Kio) Vu 3890 fois
-
Stephane Vandepeutte
Re: passage a la direction assistée
Dépose les vis 17 et tire les leviers 9 vers le haut, pour les récupérer en même temps que la direction.
Ensuite tu déposes les vis 29 et les écrous 20. Tu chasses l'axe 21 vers le moteur pour récupérer les relais 5. De mémoire sur ton modèle les barres de direction 6 sont solidaires des bras 8, il faut donc désaccoupler la rotule coté pivot.
Stéphane.
-
Eric Compernolle (29)
Re: passage a la direction assistée
merci stéphane, je vais voir ça ce matin.
-
Eric Compernolle (29)
Re: passage a la direction assistée
Je dois récupérer un faisceau HP prochainement et j'ai une question pour le volant: De quelle couleur doit il etre? Il ne peut etre d'origine certes car mon break millesime 66 a été passé au vert ensuite (je n'ai pas la date) mais comme c'est une id, je ne voudrais pas mettre un volant de DS... la branche doit elle etre gris rosé? le gainage doit il etre noir? Merci pour les infos.