intensité irréguliére phare et TDB DS 1971

Electricité, Allumage, Carburation, Injection

Modérateurs : DominiqueHok, DominiqueHok, DominiqueHok, DominiqueHok, DominiqueHok

Avatar du membre
Eric_cpn
Messages : 1126
Enregistré le : sam. 3 nov. 2012 18:48
Pays :
Numéro de membre :
Localisation : Orléans (45)

Re: intensité irréguliére phare et TDB DS 1971

Message par Eric_cpn »

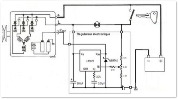
Intéressant ton schéma !

Tu as une image en meilleure qualité de ton montage?
2026-02-10 22_30_48-20260210 - montage régulateur electronique.odt — LibreOffice Writer.jpg
2026-02-10 22_30_48-20260210 - montage régulateur electronique.odt — LibreOffice Writer.jpg (32.27 Kio) Vu 562 fois
Eric-
DS23 IE 1973 - AM73- / ID19F 1965 - AM66 / ID19P 1958 - AM59
Claude-Michel
Messages : 176
Enregistré le : ven. 13 févr. 2015 09:39
Pays : Allemagne
Numéro de membre :
Localisation : Esslingen
Contact :

Re: intensité irréguliére phare et TDB DS 1971

Message par Claude-Michel »

Eric_cpn a écrit : mar. 10 févr. 2026 22:36 Tu as une image en meilleure qualité de ton montage?
Oui:
07_Regulateur_par_hachage[Konflikt].JPG
07_Regulateur_par_hachage[Konflikt].JPG (75.08 Kio) Vu 525 fois

Mais attention, il faut fabriquer le pont avec 3 diodes pour faire la sortie L.
DSuper5 1973, 2 x Xantia 1,8i 16V 1998 et 2000, Xantia 2,0i 16V 1999, C4 coupé 1,6i 16V 2005
poitou
Messages : 56
Enregistré le : mar. 28 sept. 2021 15:38
Pays : France
Numéro de membre :
Localisation : Cléry Saint André

Re: intensité irréguliére phare et TDB DS 1971

Message par poitou »

"""Mais attention, il faut fabriquer le pont avec 3 diodes pour faire la sortie L"""

Pourquoi donc ?

Les 3 phases redressées positives existant déjà....
Juste pour témoin de charge?
Modifié en dernier par poitou le jeu. 12 févr. 2026 09:12, modifié 1 fois.
ID19B 67
Claude-Michel
Messages : 176
Enregistré le : ven. 13 févr. 2015 09:39
Pays : Allemagne
Numéro de membre :
Localisation : Esslingen
Contact :

Re: intensité irréguliére phare et TDB DS 1971

Message par Claude-Michel »

poitou a écrit : jeu. 12 févr. 2026 09:07 Pourquoi donc ?
La tension en sortie des diodes de puissance est limitée par la tension de la batterie. Je pourrais m'imaginer que la sortie L a une tension légèrement supérieure.
Peut être qu'on peut s'en passer et brancher ce point directement à la sortie de puissance de l'alternateur.
En fait, je voulais préciser que la sortie qui existe d'origine, n'a qu'une diode et qu'avec celle-ci seule cela ne fonctionne pas. Il en faut 3.
DSuper5 1973, 2 x Xantia 1,8i 16V 1998 et 2000, Xantia 2,0i 16V 1999, C4 coupé 1,6i 16V 2005
tof62
Messages : 29
Enregistré le : sam. 21 sept. 2019 14:54
Pays : France
Numéro de membre :

Re: intensité irréguliére phare et TDB DS 1971

Message par tof62 »

bonsoir, j ai vérifier sur ma DS et quelle surprise, je n ai pas du tout le boitier que vous avez décrit sur le support de batterie donc comment faire. je n arrive pas a insérer d'image.c est un boitier paris rhone blanc avec 2 fils
Avatar du membre
Eric_cpn
Messages : 1126
Enregistré le : sam. 3 nov. 2012 18:48
Pays :
Numéro de membre :
Localisation : Orléans (45)

Re: intensité irréguliére phare et TDB DS 1971

Message par Eric_cpn »

Je ne vois pas ce que tu décris peut etre.
Surement un régulateur qui ne provient pas d'une DS.
Eric-
DS23 IE 1973 - AM73- / ID19F 1965 - AM66 / ID19P 1958 - AM59
tof62
Messages : 29
Enregistré le : sam. 21 sept. 2019 14:54
Pays : France
Numéro de membre :

Re: intensité irréguliére phare et TDB DS 1971

Message par tof62 »

tof62
Messages : 29
Enregistré le : sam. 21 sept. 2019 14:54
Pays : France
Numéro de membre :

Re: intensité irréguliére phare et TDB DS 1971

Message par tof62 »

Claude-Michel
Messages : 176
Enregistré le : ven. 13 févr. 2015 09:39
Pays : Allemagne
Numéro de membre :
Localisation : Esslingen
Contact :

Re: intensité irréguliére phare et TDB DS 1971

Message par Claude-Michel »

tof62 a écrit : jeu. 19 févr. 2026 20:29 je n arrive pas a insérer d'image.
Quand tu réponds, en-bas il y a : fichiers joints, puis : ajouter des fichiers etc...

Parce que ce que tu as joint, je ne sais pas ce que c'est, je n'arrive pas à ouvrir.
DSuper5 1973, 2 x Xantia 1,8i 16V 1998 et 2000, Xantia 2,0i 16V 1999, C4 coupé 1,6i 16V 2005
tof62
Messages : 29
Enregistré le : sam. 21 sept. 2019 14:54
Pays : France
Numéro de membre :

Re: intensité irréguliére phare et TDB DS 1971

Message par tof62 »

20260219_154001.jpg
20260219_154001.jpg (393.14 Kio) Vu 245 fois
20260219_154012.jpg
20260219_154012.jpg (412.15 Kio) Vu 245 fois
20260219_154026.jpg
20260219_154026.jpg (1.02 Mio) Vu 245 fois
Répondre